EasyManua.ls Logo

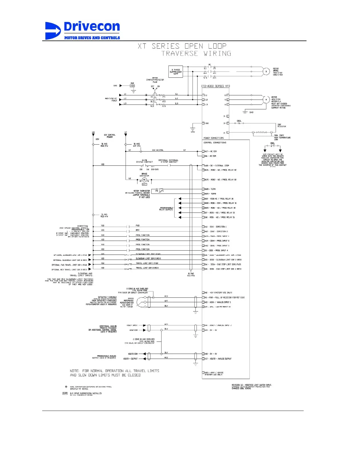
Drivecon XT Series - XT SERIES OPEN LOOP TRAVERSE WIRING

Drivecon XT Series
57 pages
Print Icon
To Next Page IconTo Next Page
To Next Page IconTo Next Page
To Previous Page IconTo Previous Page
To Previous Page IconTo Previous Page
Loading...
Owner's Manual
Drivecon Toll Free Ph: 1-800-374-8266
Drivecon reserves the right to alter or amend the above information without notice
D14

Other manuals for Drivecon XT Series