EasyManua.ls Logo

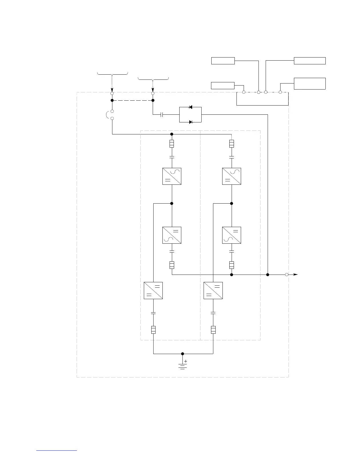
Eaton 9E - Figure 5-5. UPS System Oneline - Internal Battery

Eaton 9E
114 pages
Print Icon
To Next Page IconTo Next Page
To Next Page IconTo Next Page
To Previous Page IconTo Previous Page
To Previous Page IconTo Previous Page
Loading...
Understanding UPS Operation
Eaton 9E UPS (40–60 kVA, 208/220V) Installation and Operation Manual P-164000058—Rev 4 www.eaton.com/powerquality 5-7
Figure 5-5. UPS System Oneline – Internal Battery
AC Input to
Bypass 4 Wire
A-B-C Rotation
(optional)
Parallel CAN
Mini-Slot
Interface
Interface Board
Pull Chain
Remote EPO
L1, L2,
L3, N
Input Breaker
Internal Single-Feed
Jumper
L1, L2,
L3, N
AC Input to
UPS Rectifier
4 Wire A-B-C
Rotation
Backfeed
Relay
Static
Switch
Rectifier
Battery Relay
Fuse
Battery
Converter
Output
Relay
Fuse
Fuse
Inverter
Input
Relay
UPM 2
UPS
CABINET
L1, L2,
L3, N
AC Output to
Critical Load
A
B
D
Rectifier
Battery Relay
Fuse
Battery
Converter
Output
Relay
Fuse
Fuse
Inverter
Input
Relay
UPM 1
NOTE Callout letters A, B, and D map to Table 3-4.

Table of Contents

Related product manuals