EasyManua.ls Logo

Eco HCAT TE 0121 - Wiring Diagram: 0011-0025 Three-Phase

Default Icon
40 pages
Print Icon
To Next Page IconTo Next Page
To Next Page IconTo Next Page
To Previous Page IconTo Previous Page
To Previous Page IconTo Previous Page
Loading...
HCAT TE - HCAN TE
15English 04/03
N4
L2
U3
U1
A1
U
N
U-V-W-NPE
400V-3N -50Hz
QF1
U-V-W-N
L1-L2-L3-N
3~
M
T1 T2 T3
L1
L2
L3
KM1
QM1
Z1
QS1
1
black
brown
grey
1
0
24VAC
12VAC
12VAC
POWER
32E 1
R1
0
2
KM1
4
0
2
12DC TK ID3
ST1
ST2
ST3
GNDGND ALL
ALARM
ANALOG INPUTDIGITAL INPUT
1
C
1
22
6 7
SA1
A
1 2
10 11
+po
BP3
white
brown
RD1
DIGITAL OUTPUT
D1 2
YV1
0
KA1
KEYB
26
24 25
A2
43
TC1
19 2018
A6
KA1
3
0
5
6
15
16
17
18
19
23
21
17
16
17
16
17
15
KA1
18
19
220
0
19
17
23
15
23
21
17
5757
1212
88
9
26
25
24
10
24
25
26
0
8
0
2
9
4
0
8
57
56
52
53
ID4 ID1
F1F2
ID2
16
17
17
19
20
15
23
21
17
24
25
26
15
17
MORSETTI PER INSTALLATORE
INSTALLATOR TERMINAL BOX
12
13
WH1
770
13
14
KA3
222222
0
1~
M
EV1
grey
brown
0
3
C2
FU1
0
2
3
15 16
SA2
5
21
22
17
17
2
black
0
B
heating
cooling
0
2
24
25
26
KM1KA3
0
9101114876432
1 12323469
13 16 151
KA2
230VAC MAX 1A
KA2
5656
5757
56
57
54
55
KM1
21 22
GN1
2
12VAC
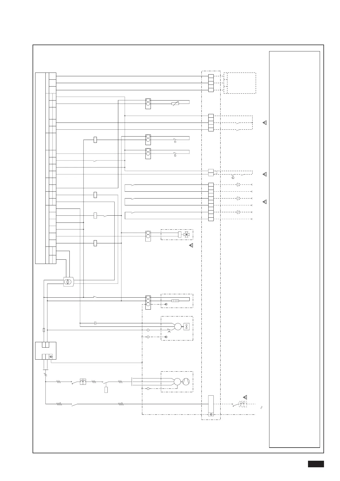
0011-0025 THREE-PHASE WIRING DIAGRAM
Outline wiring diagram, refer to the diagram on the electrical panel of the unit.
Factory installed components
A1 Radio interference suppresser
A2 Electronic controller
A6 Unit control display keyboard
BP3 Condensation/evaporation control pressure transducer
C2 Fan start capacitor
EV1 Fan
F1 High pressure switch
F2 Low pressure switch
FU1 Transformer protection fuse
GN1 Green light for ON compressor
KA1 High pressure switch relay
KA2 Alarm relay
KA3 Defrosting relay
KM1 Compressor contactor
QF1 Chilling assembly thermal overload switch
QM1 Compressor thermal overload switch
QS1 Door lock disconnector switch
R1 Compressor oil sump heater
RD1 Red lockout warning light
SAI On-off switch and/or timer input
SA2 Summer-winter switch input
TC1 Auxiliary circuit 12/24VAC transformer
WH1 White defrosting indicator light
YV1 Cycle reversal valve
Z1 Compressor
Important:
1 Switch not included in supply
2 Heat pumps only
3 Lockout indicator light not included in supply
4 Optional ON-OFF switch and/or timer
5 Optional summer-winter switch

Table of Contents

Related product manuals