EasyManua.ls Logo

Eco HCAT TE 0121 - Wiring Diagram: 0071-0121 Three-Phase

Default Icon
40 pages
Print Icon
To Next Page IconTo Next Page
To Next Page IconTo Next Page
To Previous Page IconTo Previous Page
To Previous Page IconTo Previous Page
Loading...
HCAT TE - HCAN TE
19English 04/03
U-V-W-NPE
400V-3N -50Hz
QF1
U-V-W-N
L1-L2-L3-N
1
3~
M
2 3
T1 T2 T3
L1
L2
L3
KM1
QM1
Z1
QS1
U
N
N4
L2
U3
U1
A1
1
0
C4
1
12VAC
230VAC
21
22
12VAC 12VAC
POWER
32
C
1
R1
KM1
18
15
FU2
17
12DC TK ID3 ST1 ST2 ST3 ST4 GNDGND ALL
ALARM ANALOG INPUTDIGITAL INPUT
1
E
3 42
6 715 17
SA1SA2
F
5 6
10 11
+po
BP3
bianco
marrone
RD1
1
DIGITAL OUTPUT
D
5
6
YV1
KM1
1~
M
A
1 2 3 4 5 6 7
EV1
U1Z1 U2Z2
15
KA1
2122N525 26N2 23 24 N627 28 N3 33 34
A3
1 2 3
KEYB
26
24 25
A2
2
56 4
3
F1
N1
FU3
TC1
19 2018
A6
1~
M
B
1 2 3 4 5 6 7
EV2
U1Z1 U2Z2
30
31
17
33
15
43
43
51
11
10
9
8
51
33
5
4
3
2
11
10
9
8
5
4
3
2
13
12
7
6
51
33
21
22
30
31
32
33
35
36
40
38
42
FU1
32
42
32
33
30
KA1
35
36
1744
15
36
42
40
30
40
38
42
14
16
2727
2424
26
47
46
45
29
45
46
47
15
24
15
2
17
3 4 5 6
C2 C3
2
30
31
1
0
26
18
15
24
7 8
17
9
31
16
16
52
53
ID4 ID5 ID1
F1F2
ID2
F4
1 3 42
UN
17 17
15
43
42
32
33
42
36
44
31
30
40
42
42
45
46
47
30
31
33
15
42
30
42
MORSETTI PER INSTALLATORE
INSTALLATOR TERMINAL BOX
12
13
WH1
2323
KA3
15
19
20
KA3
17
393942
16
HEATING
COOLING
KA4
KA5
49
KA4
48
COMMON
15
17 1717
91011148765432 1312 16 151
KA2
KA2
KA5KA1
230VAC MAX 1A
54
55
KM1
21 22
GN1
45
46
47
16
24VAC
14
16
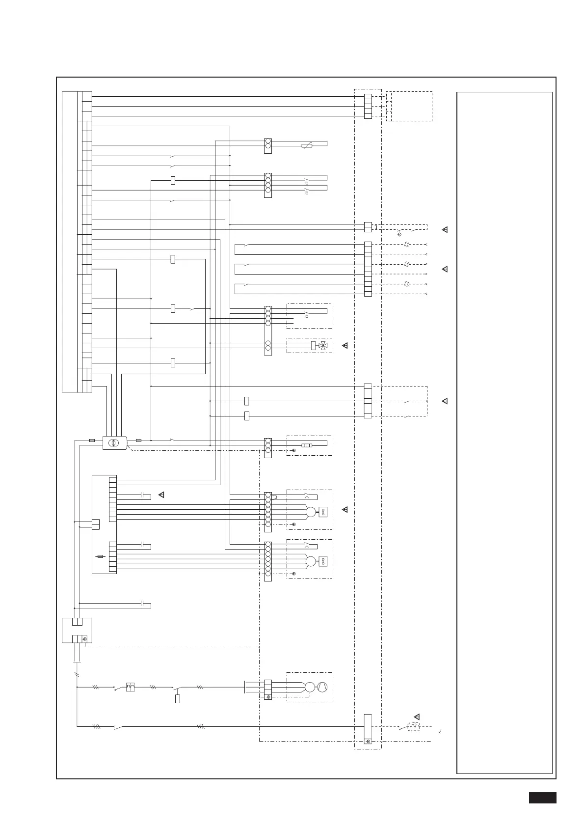
Factory installed components
A1 Radio interference suppresser
A2 Electronic controller
A3 Fans control board
A6 Unit control display keyboard
BP3 Condensation/evaporation control pressure transducer
C2-3 Fans start capacitors
C4 Spaark capacitor
EV1-2 Fans
F1 High pressure switch
F2 Low pressure switch
F4 Compressor protection switch
FU1 Transformer protection fuse
FU2 Control superposed circuit fuse protection
FU3 Fan fuse protection
GN1 Green light for ON compressor
KA1 High pressure switch relay
KA2 Alarm relay
KA3 Defrosting relay
KA4 Heating relay
KA5 Cooling relay
KM1 Compressor contactor
QF1 Chilling assembly thermal overload switch
QM1 Compressor thermal overload switch
QS1 Door lock disconnector switch
R1 Compressor oil sump heater
RD1 Red lockout warning light
SAI On-off switch and/or timer input
SA2 Summer-winter switch input
TC1 Auxiliary circuit 12/24VAC transformer
WH1 White defrosting indicator light
YV1 Cycle reversal valve
Z1 Compressor
Important:
1 Switch not included in supply
2For 0101-0121 models only
3 Heat pumps only
4 Lockout indicator light not included in supply
5 Optional ON-OFF switch and/or timer
6 Optional summer-winter switch
0071÷0121 THREE-PHASE WIRING DIAGRAM
Outline wiring diagram, refer to the diagram on the electrical panel of the unit.

Table of Contents

Related product manuals