EasyManua.ls Logo

Eco HCAT TE 0121 - Wiring Diagram: 0031-0061 Three-Phase

Default Icon
40 pages
Print Icon
To Next Page IconTo Next Page
To Next Page IconTo Next Page
To Previous Page IconTo Previous Page
To Previous Page IconTo Previous Page
Loading...
HCAT TE - HCAN TE
17English 04/03
N4
L2
U3
U1
A1
1
0
12VAC
230VAC
11
12
32
C
1
R1
KM1
10
7
FU2
9
1
E
3 42
6 7
SA1
F
1 2
10 11
+po
BP3
RD1
1 2
YV1
7
KA1
26 24 25
54
3
TC1
19 2018
A6
KA1
9
23
7
30
11
12
21
22
23
24
25
29
27
30
FU1
22
30
22
23
21
KA1
24
25
926
7
25
30
29
21
29
27
30
6
1818
1414
15
34
33
32
16
32
33
34
7
14
7
9
1
0
15
10
7
14
9
8
52
53
F1F2
22
23
30
25
26
21
29
27
30
32
33
34
23
7
30
21
30
MORSETTI PER INSTALLATORE
INSTALLATOR TERMINAL BOX
12
13
WH1
13137
19
20
KA3
282828
7
U
N
1~
M
123 4 5 6 7
EV1
U1 Z1 U2Z2
2
1~
M
B
1 2 3 4 5 6 7
EV2
U1 Z1U2 Z2
30
31
5
0
3
3
31
23
4
0
3
3
0
0
3
3
0
0
3
3
31
23
C2
FU3
C3
5
0
3
3
4
0
3
3
0
2
2
A
2
3
15 16
SA2
6
27
28
30
17
U-V-W-NPE
400V-3N -50Hz
QF1
U-V-W-N
L1-L2-L3-N
1
3~
M
2 3
T1 T2 T3
L1
L2
L3
KM1
QM1
Z1
QS1
1
white
brown
32
33
34
heating
cooling
KM1KA3
2
3
99
3
D
12VAC 12VAC
POWER
12DC
TK ID3
ST1
ST2
ST3
ST4 GNDGND ALL
ALARM ANALOG INPUTDIGITAL INPUT
1
DIGITAL OUTPUT
1 2 3
KEYB
A2
2 3 4 5 6 7 8 9
ID4 ID5 ID1 ID2
91011148765432 1312 16 151
KA2
KA2
230VAC MAX 1A
54
55
KM1
21 22
GN1
88
8
6
8
24VAC
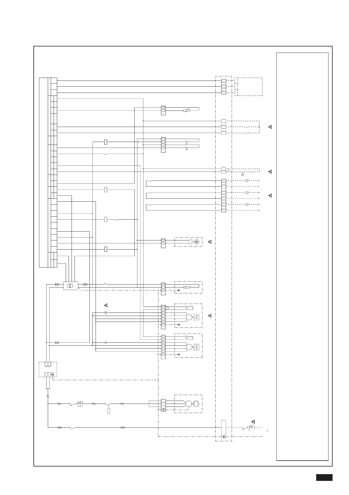
0031÷0061 THREE-PHASE WIRING DIAGRAM
Outline wiring diagram, refer to the diagram on the electrical panel of the unit.
Factory installed components
A1 Radio interference suppresser
A2 Electronic controller
A6 Unit control display keyboard
BP3 Condensation/evaporation control pressure transducer
C2-3 Fans start capacitors
EV1 Fans
F1 High pressure switch
F2 Low pressure switch
FU1 Transformer protection fuse
FU2 Control superposed circuit fuse protection
FU3 Fan fuse protection
GN1 Green light for ON compressor
KA1 High pressure switch relay
KA2 Alarm relay
KA3 Defrosting relay
KM1 Compressor contactor
QF1 Chilling assembly thermal overload switch
QM1 Compressor thermal overload switch
QS1 Door lock disconnector switch
R1 Compressor oil sump heater
RD1 Red lockout warning light
SAI On-off switch and/or timer input
SA2 Summer-winter switch input
TC1 Auxiliary circuit 12/24VAC transformer
WH1 White defrosting indicator light
YV1 Cycle reversal valve
Z1 Compressor
Attenzione:
1 Switch not included in supply
2For 0051-0061 models only
3 Heat pumps only
4 Lockout indicator light not included in supply
5 Optional ON-OFF switch and/or timer
6 Optional summer-winter switch

Table of Contents

Related product manuals