EasyManua.ls Logo

Edwards nEXT300 - Message Structure; Command Set; Figure 18 RS485 Multi-Drop Connection

Edwards nEXT300
108 pages
Print Icon
To Next Page IconTo Next Page
To Next Page IconTo Next Page
To Previous Page IconTo Previous Page
To Previous Page IconTo Previous Page
Loading...
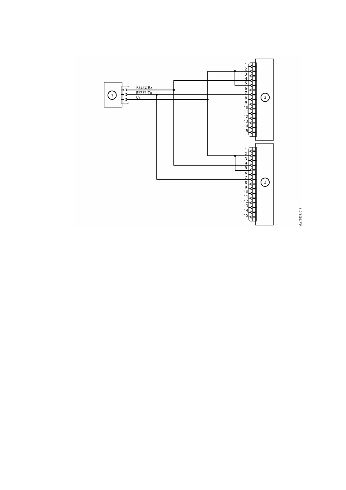
Figure 18 RS485 mul-drop
connecon
1. RS485 interface on control equipment 2. pump logic interface1. RS485 interface on control equipment 2. pump logic interface
4.7.4 Message structure
The message s
tructure and command set are the same for RS485 and RS232 opons. To
communicate a message to the pump, send the characters in a specic order. If the
message is not in a correct structure, the message will be ignored and the pump will not
send the reply.
The correct structure of the message is as follows:
a valid start character:
'!' character for a store operaon or
'?' char
acter for a query operaon followed by
a command: an upper case alphabecal character, followed by
an object number: has three decimal digits, followed by
a data eld (only for some commands): has a sequence of characters separated
from the object number by a space, followed by
a terminang carriage return.
The message protocol in muldrop mode is dierent. Refer to Mul‐drop operaon on
page 55.
4.7.5 Command set
Refer to Table: Summary of commands that can be sent to the nEXT pump for the
summary of the full set of commands available to control and monitor the pump.
04/2022 - ©Edwards Limited
Page 52B80000880_G
B80000880_G - Installaon

Table of Contents

Related product manuals