EasyManua.ls Logo

Electrolux WMD1050 - Panel, Technical Characteristics

Electrolux WMD1050
36 pages
Print Icon
To Next Page IconTo Next Page
To Next Page IconTo Next Page
To Previous Page IconTo Previous Page
To Previous Page IconTo Previous Page
Loading...
- 3 -
11.2003 R.K. 599 518 544
Program cycles / Consumptions
Fassungsvermögen 3 kg
Gesamtanschlußwert 1700 W
Heizung 1400 W
Laugenpumpe 30 W
Hauptmotor Waschen 200 W
Schleudern 300W
Schleuderdrehzahl max. 1300 U min
Spannung 220-230 V/50 Hz
Absicherung 10 A
Wasserdruck:
min 10 N/cm
2
max 100 N/cm
2
Gesamthöhe 67cm
Gesamtbreite 49,5 cm
Gesamttiefe 52cm
Gesamtgewicht 54 kg
Energieeffizienz A
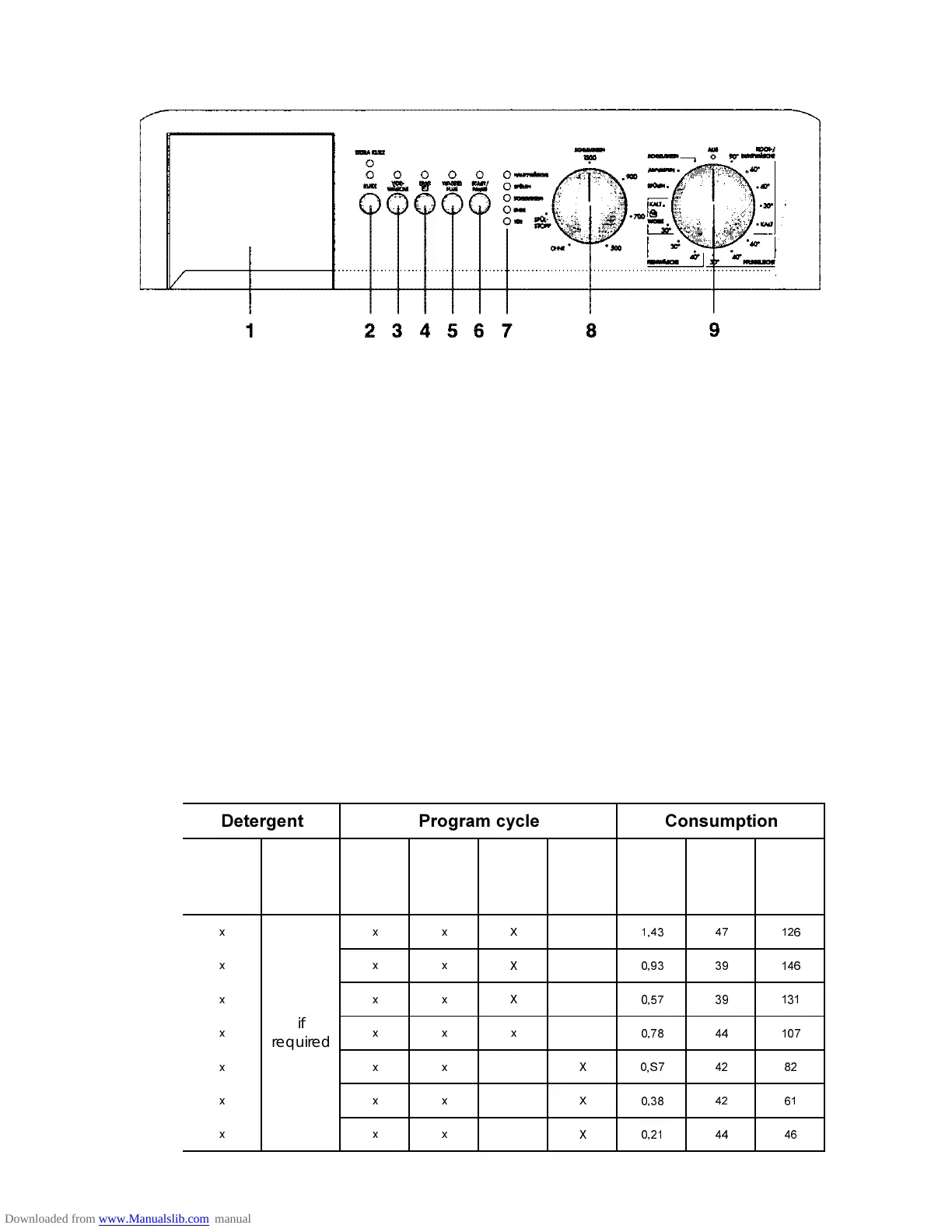
1 Drawer
2 Push button short/very short
3 Push button prewash
4 Push button ECO
5 Push button additional rinse
6 Push button start/hold
7 Program cycle LEDs
8 Switch spin speed
9 Program selector
Panel
0DLQZDVK 6RIWHQHU
HWF
0DLQ
ZDVK
5LQVHV 1RUPDO
VSLQDQG
GUDLQ
UHGXFHG
VSLQ
VSHHG
DQGGUDLQ
&XUUHQW
N:K
:DWHU
/LWHU
7LPH
0LQ
[ [ [ ;   
[ [ [ ;   
[ [ [ ;   
[ [ [ [   
[ [ [ ; 6  
[ [ [ ;   
[ [ [ ;   
if
required
'HWHUJHQW 3URJUDPF\FOH &RQVXPSWLRQ

Related product manuals