EasyManua.ls Logo

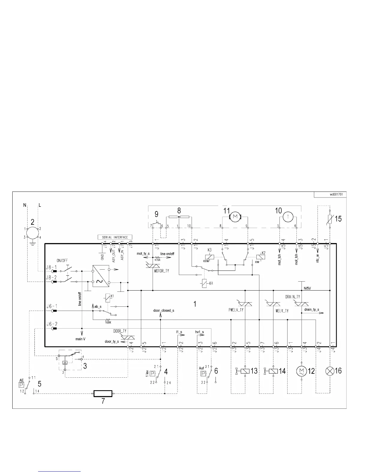
Electrolux WMD1050 - Diagram

Electrolux WMD1050
36 pages
Print Icon
To Next Page IconTo Next Page
To Next Page IconTo Next Page
To Previous Page IconTo Previous Page
To Previous Page IconTo Previous Page
Loading...
35

Related product manuals