EasyManua.ls Logo

Element4 SKY Series - Electrical System and Control; Domotica System Integration; ProControl App Operation

Default Icon
39 pages
Print Icon
To Next Page IconTo Next Page
To Next Page IconTo Next Page
To Previous Page IconTo Previous Page
To Previous Page IconTo Previous Page
Loading...
13
Chapter 8
INSTALLATION MANUAL |
8 ELECTRICAL CIRCUIT
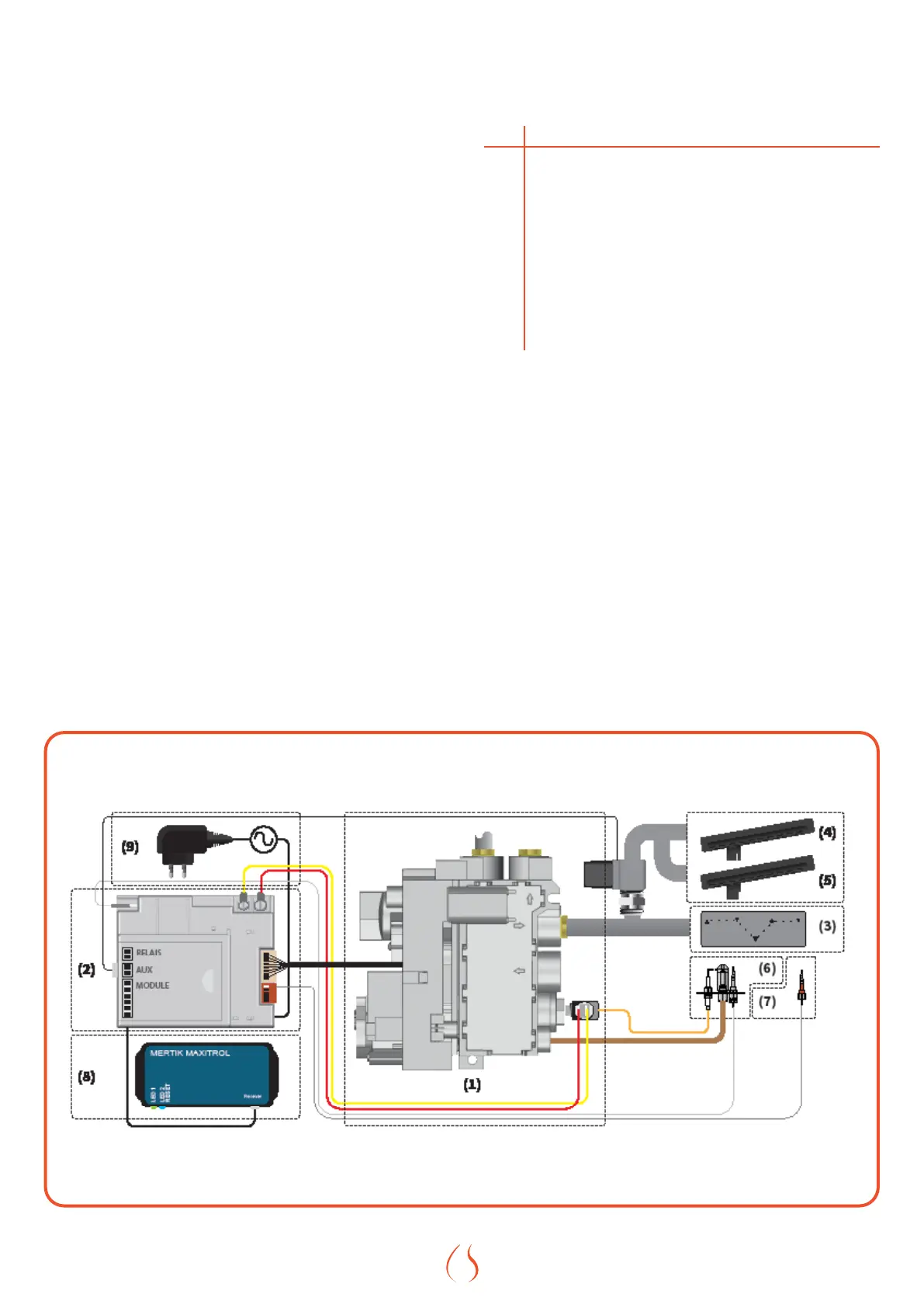
Figure 9.1 shows a simplied connection circuit for the replace. Every
replace is provided with a main adapter.
8�1 DOMOTICA
The receiver oers the possibility to be connected to a domotica system.
A special connector is being supplied for this. Type: G60- ZCE
8�2 ELEMENT4 PROCONTROL APP�
It is possible to operate your device via smartphone or tablet with the
ProControl App, available in the appstore on iOS and google play on
Android.
The app has a user friendly, interactive layout and the design is adjusted
for Element4 devices. Up to eight devices can be used with one app, in
the situation that multiple re are installed in the same location.
Another functionality of the app is to pre-set the temperature of you
device, for a period of one week, to ensure yourself of an optimal desired
room temperature. Also the device can changed between high and low
ames and it features an eco-setting.
The amount of users, that can operate the device is unlimited, so every
family member can make use of it, by easily making a personal account.
By two-way communication, one can check on the device at any moment.
To use the app, the device needs to be provided with the correct receiver
and remote combination.
# Description
(1) Gas Block
(2) Receiver
(3) Main Burner
(4) Second Burner
(5) Third Burner
(6) Pilot set
(7) Second Thermocouple
(8) Wi-Box
(9) Adapter 6V
Table 8.1 | Components
Necessities for the installation of the ProControl:
220 volt electricty near the re
Wi-Fi code of the router
Smart Phone or tablet
ProControl manual
Should any problems occur you can always check APPENDIX BAPPENDIX B.
Figure 8.1 | Schematic Electronic Circuit

Table of Contents

Related product manuals