EasyManua.ls Logo

ELFON OPTIMA SL255 - Page 13

Default Icon
56 pages
Print Icon
To Next Page IconTo Next Page
To Next Page IconTo Next Page
To Previous Page IconTo Previous Page
To Previous Page IconTo Previous Page
Loading...
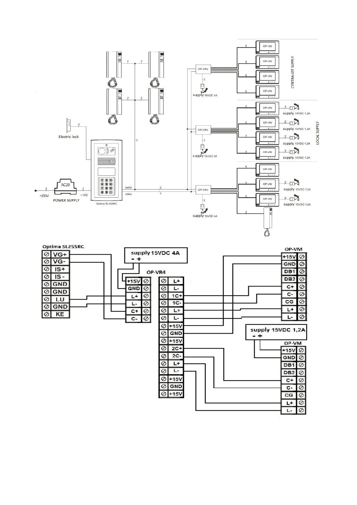
Figure 5: Example of video system with OP-VR module and 2 videomonitors OP-VM
13
Figure 4: Video system (single entry system)

Table of Contents