EasyManua.ls Logo

Emicon RAH - Functional Diagram

Emicon RAH
45 pages
Print Icon
To Next Page IconTo Next Page
To Next Page IconTo Next Page
To Previous Page IconTo Previous Page
To Previous Page IconTo Previous Page
Loading...
13
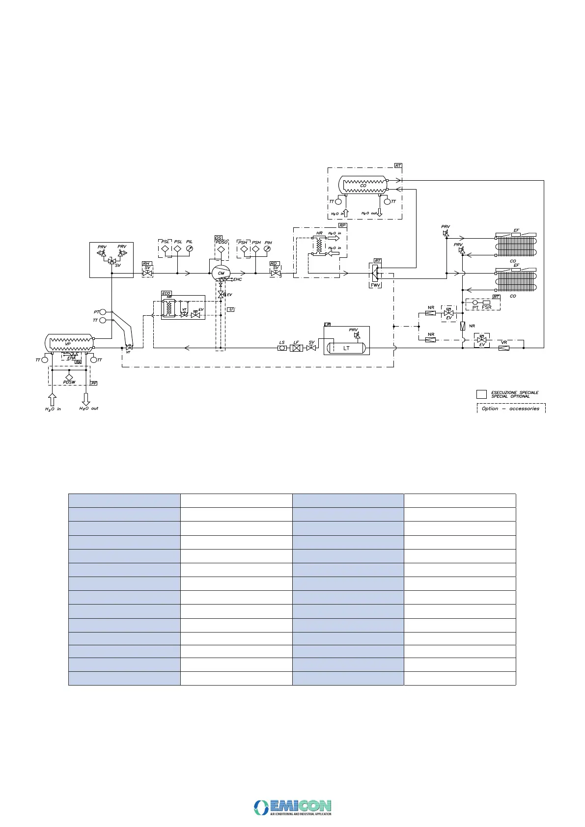
___________________________________RAH / PAH Ka_________________________________
2.7 Functionaldiagram
RAHKACOOLINGCIRCUITDIAGRAM(WITHSOMEAVAILABLEOPTIONS)
LEGEND
CM screw compressors PDSW 
CO  PIH 
EF  PIL 
EHA  PRV 
EHC  PSH 
EV  PSL 
FSR  PT 
FWV  RP 
HR  RT 
LF  SV 
LS  TT 
LT  VP 
NR  VT 
PDSO 

Table of Contents

Related product manuals