EasyManua.ls Logo

Emicon RAH - Page 14

Emicon RAH
45 pages
Print Icon
To Next Page IconTo Next Page
To Next Page IconTo Next Page
To Previous Page IconTo Previous Page
To Previous Page IconTo Previous Page
Loading...
14
___________________________________RAH / PAH Ka_________________________________
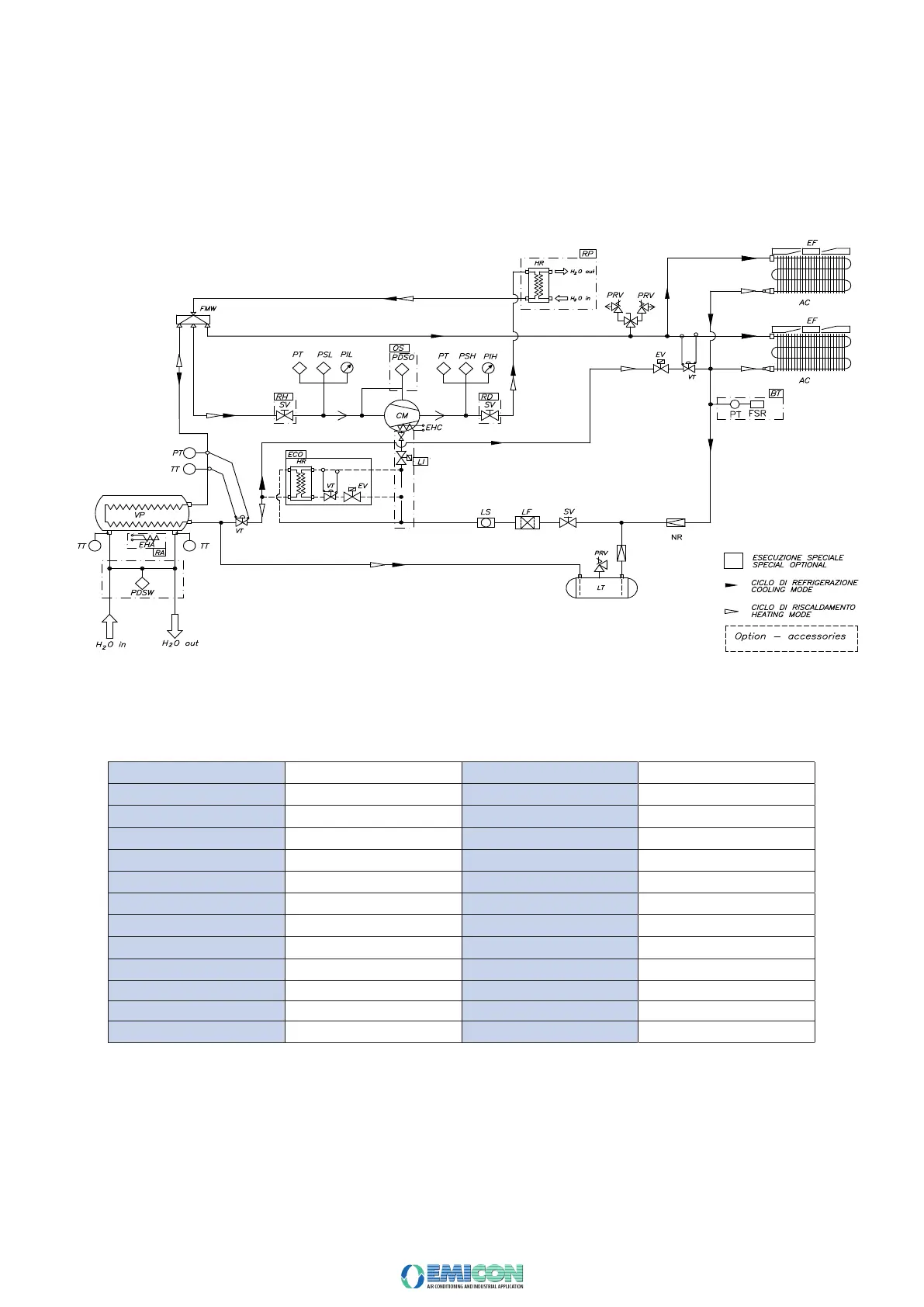
PAHKACOOLINGCIRCUITDIAGRAM(WITHSOMEAVAILABLEOPTIONS)
LEGEND
AC  PDSO 
CM screw compressors PDSW 
EF  PIH 
EHA  PIL 
EHC  PRV 
EV  PSH 
FSR  PSL 
FWV  PT 
HR  RP 
LF  SV 
LS  TT 
LT  VP 
NR  VT 

Table of Contents

Related product manuals