EasyManua.ls Logo

EMKO esm-4450 - Connection Wirings for Output Modules; Relay Output Module Connection; Ssr Driver Module Connection

EMKO esm-4450
119 pages
Print Icon
To Next Page IconTo Next Page
To Next Page IconTo Next Page
To Previous Page IconTo Previous Page
To Previous Page IconTo Previous Page
Loading...
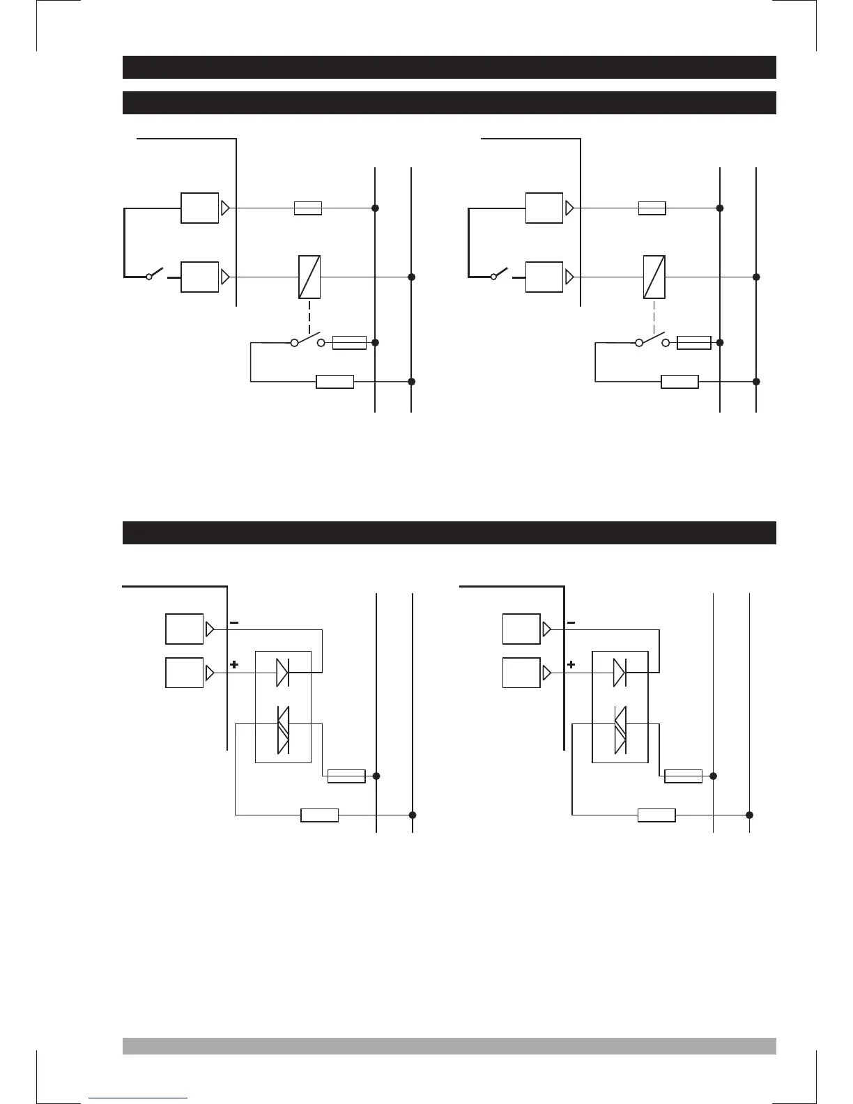
Fuse
Load
LastControl
Element
(SSR)
5.2ConnectionWiringsforOutputModules
5.2.1EMO-400RelayOutputModuleConnection
5.2.2EMO-410SSRDriverModuleConnection
8
Module-1
L N
7
Fuses must be selected according to the applications.
c
35
c
Fuses must be selected according to the applications.
c
Fuse
Load
L N
LastControlElement
(Contactor)
c
Fuse
Load
L N
c
LastControlElement
(Contactor)
Fuse
Load
LastControl
Element
(SSR)
10
Module-2
L N
9
c
3A TFuseV 3A TFuseV
15-18V
Max.20mA
Z
15-18V
Max.20mA
Z
Module-1
7
8
NO
C
Module-2
9
10
NO
C

Table of Contents