EasyManua.ls Logo

EPS RS 232 - UIR Mode Controller Structure; PID Controller Parameters

Default Icon
53 pages
Print Icon
To Next Page IconTo Next Page
To Next Page IconTo Next Page
To Previous Page IconTo Previous Page
To Previous Page IconTo Previous Page
Loading...
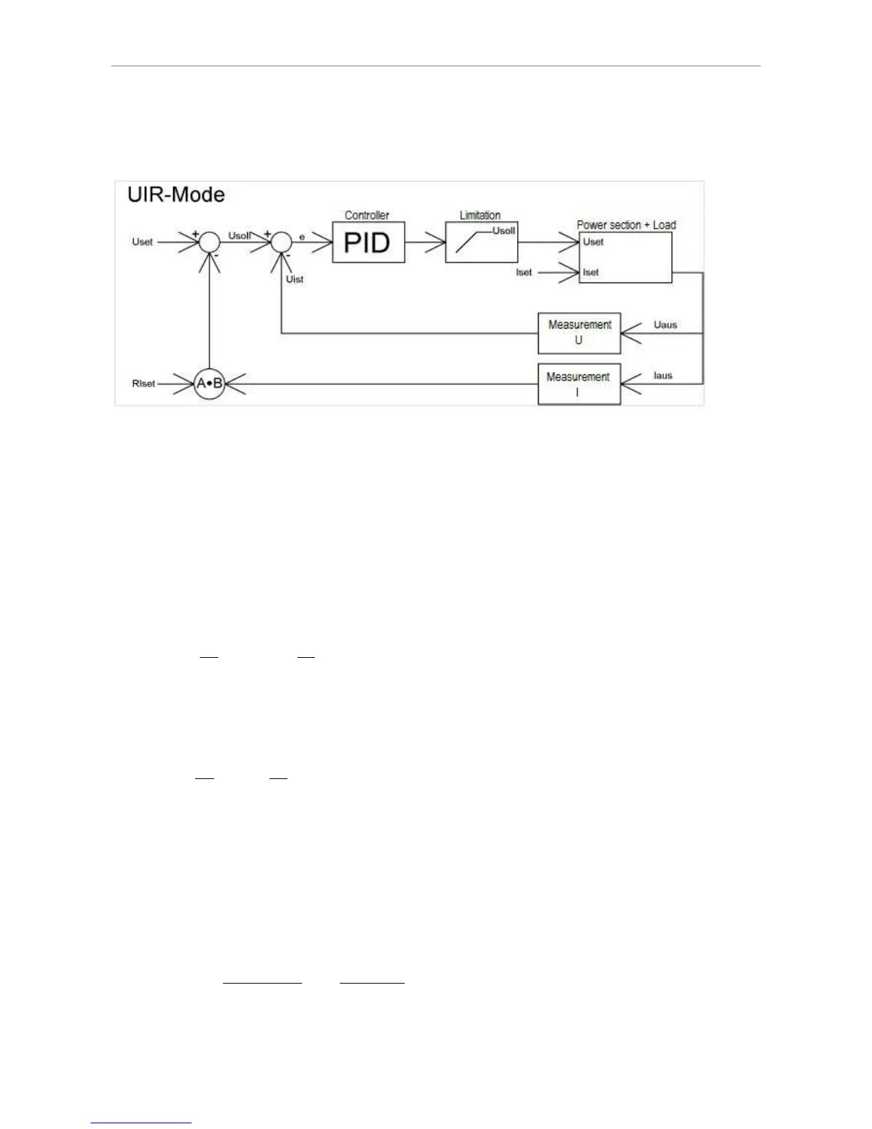
Controller
The output signal is limited to the voltage set point. The current set point of the power supply is permanently set to
I
soll
. In UIR mode the voltage is regulated while the current is fixed.
C
ONTROLLER PARAMETERS
common differential equation of a PID controller:
E Controller deviation
Kp Proportional coefficient
Tn Reset time
Tv Derivative time
Since the digital controller is a discrete-time system, the integral is replaced by a summation and the differential by a
difference:
The following equation puts the controller into practice within the software:
Parameters P, I and D are calculated as follows:
Controller parameters can be programmed via digital interface using the command
REGLER
.
Ts Sampling time
Ts Sampling time = 300 us
( )
dt
de
Tv+dtte
Tn
+eKp=y
1
y= 0,1Pe
i
+0,001I
m
=
m=i
e
m
+0,1D(e
i
e
i1
)
P= 10Kp I=
1000
Kp
Ts
Tn
D=
10
Kp
Tv
Ts
( )
−∞
1ii
i=m
=m
mi
ee
Ts
Tv
+e
Tn
Ts
+eKp=y

Table of Contents