EasyManua.ls Logo

Eumig MARK-S SUPER 8 - Page 29

Eumig MARK-S SUPER 8
34 pages
Print Icon
To Next Page IconTo Next Page
To Next Page IconTo Next Page
To Previous Page IconTo Previous Page
To Previous Page IconTo Previous Page
Loading...
EF
86
ECH
81
(6267)
(6A
J8)
g3/
°o\s
ate
“o\s"
ECL86
a\o
s
&5
60
k
90,
9
/t95.8
a
(6Gwe)
R3
=
150
k
C4Ld
oy
ZGL
ZAOILST
PS
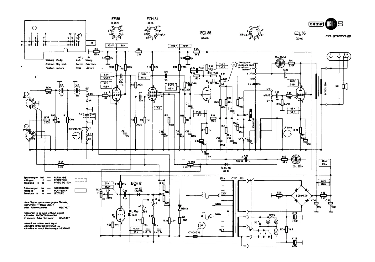
Stellung:
Wiedg.
Auf
Wiedg.
Wty
:
:
:
ci
i
ce
eevee
|
_-
Mesepunkt
UG;
Position
:
Play-
back
Record
Play-back
1
OV
|
(a)-
a
CAE
;
100k
RG
144V
oghon.
ti
:
Position
:
Lecture
Prise
=
Lecture
Se:
[Se
L144
|
ered
le
A
cn
R18
150k
pp
b13/160
¢
EE
}—-O
'
Sn
9/1
al3
ae
C
148822
e
sia
(
260v
Aa
Q
ibd
C34
In
|
255v
|
b12,
ca
R25
all
N26
a)
i
an
R22
ono
7k
8
rool}
[Je
|
nad
Joann
100k
C17
770k
—'ssv
3
In
ew
g
=
R23
=)
R
a
a
8
LF6/08
05M
x
R26
)
56k
CK
cw
6i\c
Op
In
UVP
(GES
28)
QA
Bi
Spannungen
bei
AUFNAHME
Vollages
at
RECORDING
C
700
U
252
Tensions
&
ta
PRISE
DE
SON
r*
Spannungen
bei
WIEDERGABE
Veitag
es
at
_
PLAY-BACK
Tensions
&
ta
_
LECTURE
anne
Signal,
gemessen
gegen
Chassis,
Instrument
R=
100000
Orm/V
oder
Rarrenvoltmeter
HEATHKIT
&
~
R35
fe]
=a
k
ke
' i
=
=
@
R34]
|9K3
ae
DP)
C
28
320p
measured
to
ground
without
signal
voltmeter
R=100,000
Ohm
Voit
ar
Vacuum
Tube
Voltmeter
HE
ATHKIT
mesuré
ur
masse
sans
ti
voltmmétre
Rz100.000
Onm/Volt
ou
voltmétre
a
ampli
ectronique
HEATHKIT
C700U
235

Related product manuals