EasyManua.ls Logo

Eurapo Sigma - Page 84

Eurapo Sigma
Print Icon
To Next Page IconTo Next Page
To Next Page IconTo Next Page
To Previous Page IconTo Previous Page
To Previous Page IconTo Previous Page
Loading...
84
1
2
3
4
5
6
7
8
9
10
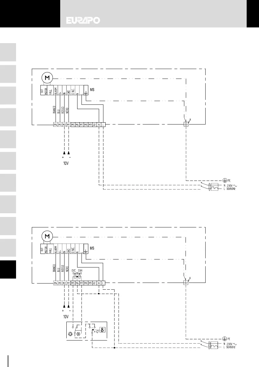
ALLEGATO/ENCLOSURE/ANLAGE/ANNEXE 3/A
ESTCBL00 (Inverter esterno-External inverter-Außen Inverter-Inverter externe)
ESTCBL00–EVC–EVH
(Inverter esterno-External inverter-Außen Inverter-Inverter externe)
+

Table of Contents

Related product manuals