EasyManua.ls Logo

Evh HARDEE LR50160 - Hydraulic Motor Housing Assembly

Default Icon
56 pages
Print Icon
To Next Page IconTo Next Page
To Next Page IconTo Next Page
To Previous Page IconTo Previous Page
To Previous Page IconTo Previous Page
Loading...
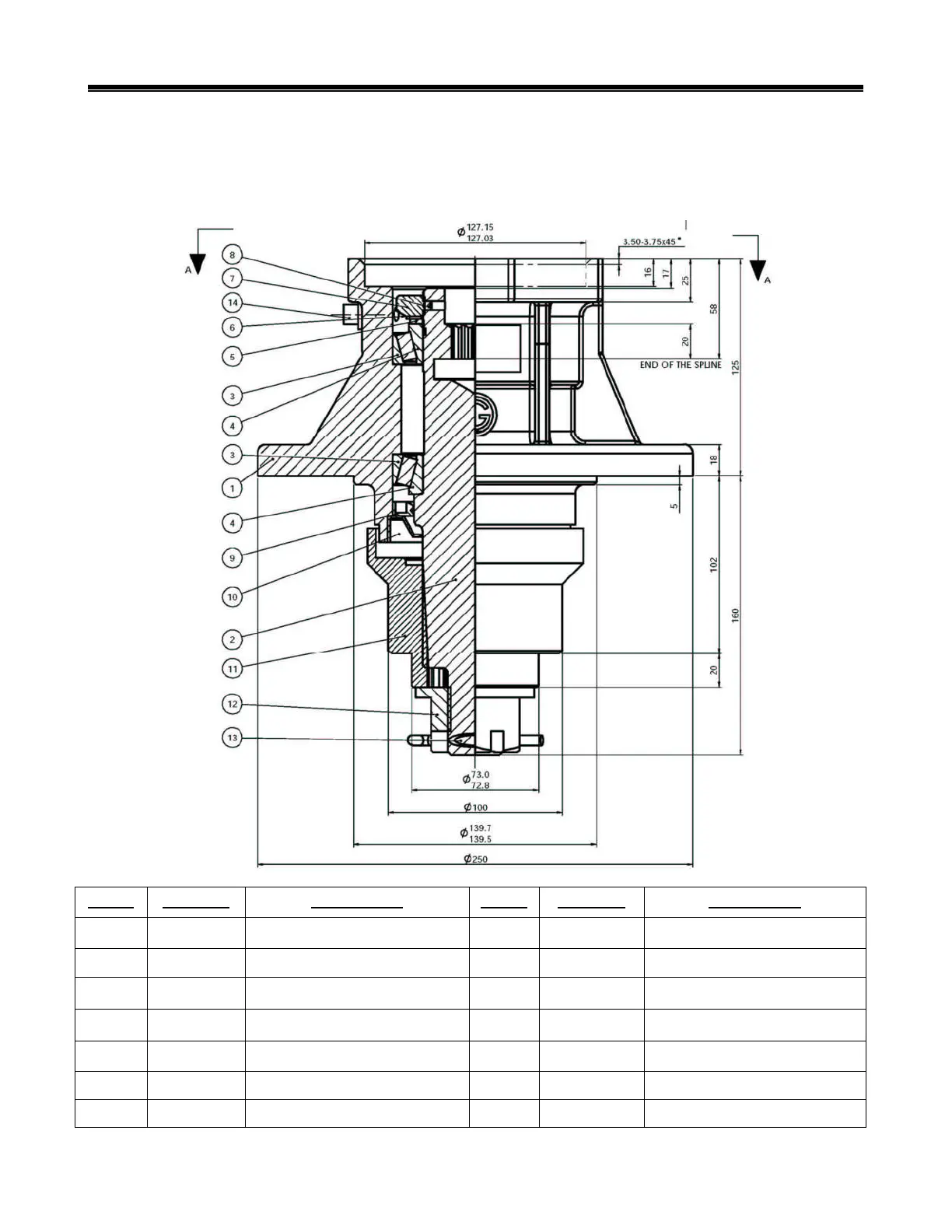
Section 8- Replacement Parts
39
Hydraulic Motor Housing
EVH P/N 16579
Key # Part No. Description Key # Part No. Description
1 N/A Housing 8 16480 Set Screw
2 N/A Shaft 9 16491 Lip Seal-Output
3 15952 Cup 10 16488 Seal Protector
4 15953 Bearing 11 16580 Blade Hub
5 16492 Washer w/tang 12 15481 Nut, Hex Slotted
6 15965 Lockwasher 13 15968 Cotter Pin
7 15966 Locknut 14 15784 Plug, Pipe

Table of Contents