EasyManua.ls Logo

EXFO FOT-600 - 4 Measuring Power or Loss (FPM-600); Nulling Electrical Offsets

EXFO FOT-600
79 pages
Print Icon
To Next Page IconTo Next Page
To Next Page IconTo Next Page
To Previous Page IconTo Previous Page
To Previous Page IconTo Previous Page
Loading...
Getting Started
Power Meter/Light Source/Optical Loss Test Set 15
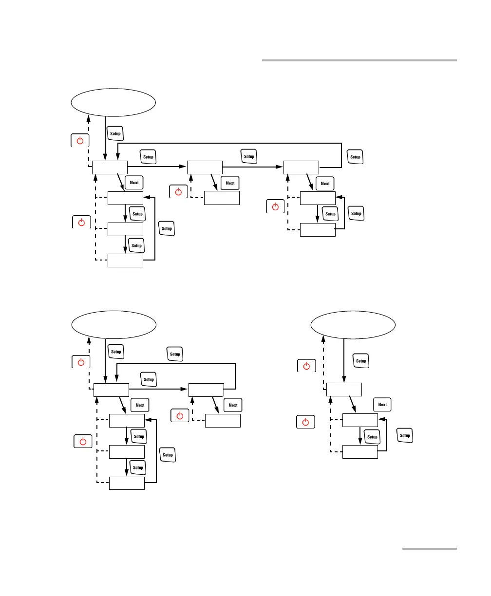
Accessing and Navigating Setup Menus
PM DATA SRC
P/F
FAV
CF
CAB1
*
FAV
PREF
Normal Mode
FOT-600
*: Default name
PM DATA
P/F
FAV
CF
CAB1
*
Normal Mode
FPM-600
SRC
FAV
PREF
Normal Mode
FLS-600
*: Default name

Table of Contents

Related product manuals