EasyManua.ls Logo

EXFO MAX-860 - Page 43

EXFO MAX-860
495 pages
Print Icon
To Next Page IconTo Next Page
To Next Page IconTo Next Page
To Previous Page IconTo Previous Page
To Previous Page IconTo Previous Page
Loading...
Test Setup - Test Applications
MaxTester 35
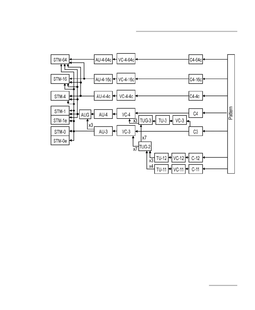
SONET/SDH BERT
For SDH BERT

Table of Contents

Related product manuals