EasyManua.ls Logo

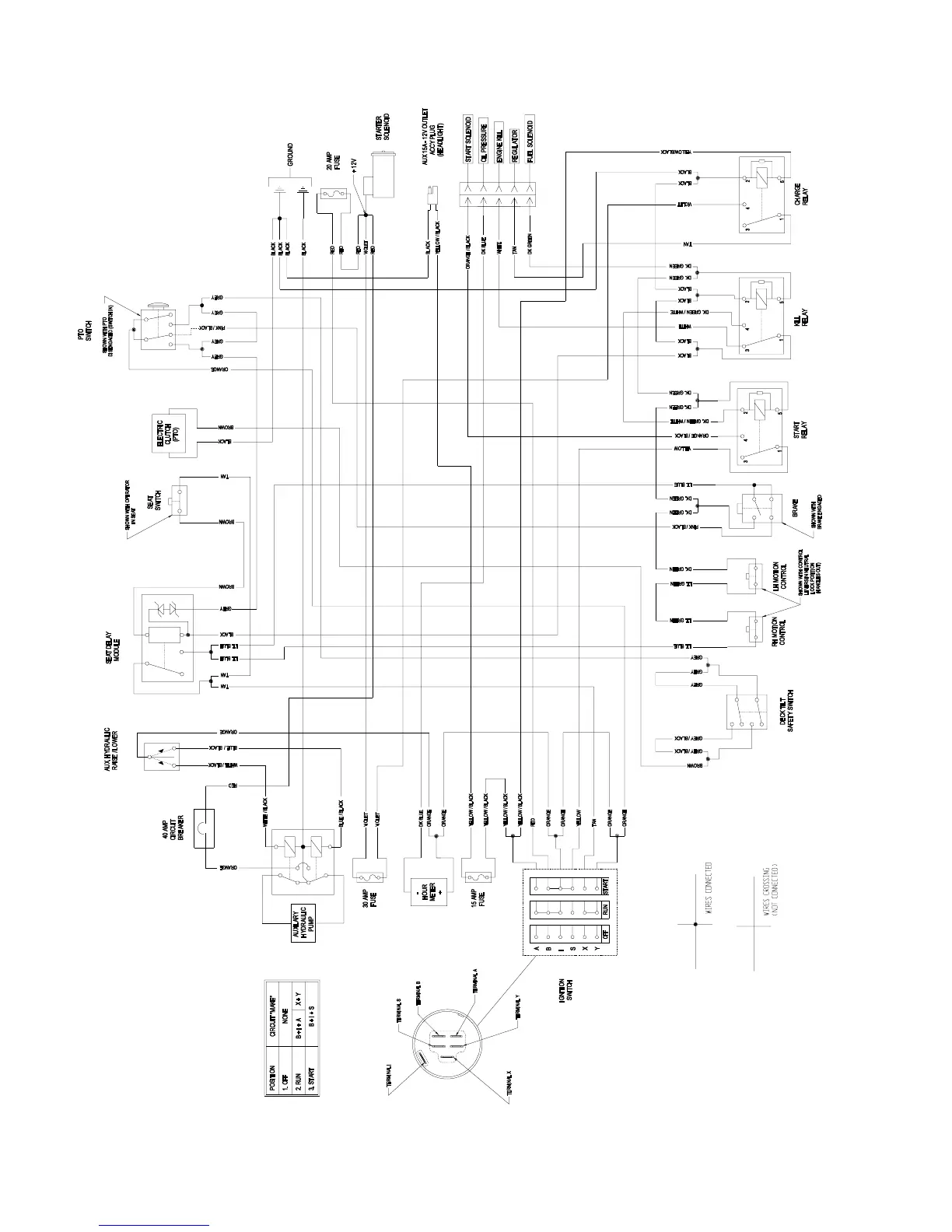
Exmark Frontrunner 4500-341 - Electrical Logic Schematic 31 HP

Exmark Frontrunner 4500-341
28 pages
Print Icon
To Next Page IconTo Next Page
To Next Page IconTo Next Page
To Previous Page IconTo Previous Page
To Previous Page IconTo Previous Page
Loading...
ELECTRICAL LOGIC SCHEMATIC – 31HP
21

Related product manuals