EasyManua.ls Logo

Extraflame 00227596 - General Menu; User Menu Structure

Extraflame 00227596
28 pages
Print Icon
To Next Page IconTo Next Page
To Next Page IconTo Next Page
To Previous Page IconTo Previous Page
To Previous Page IconTo Previous Page
Loading...
P1 P4
P3
P2
P5
P6
P6
P1
P2
P3
P4
P5
P6
5
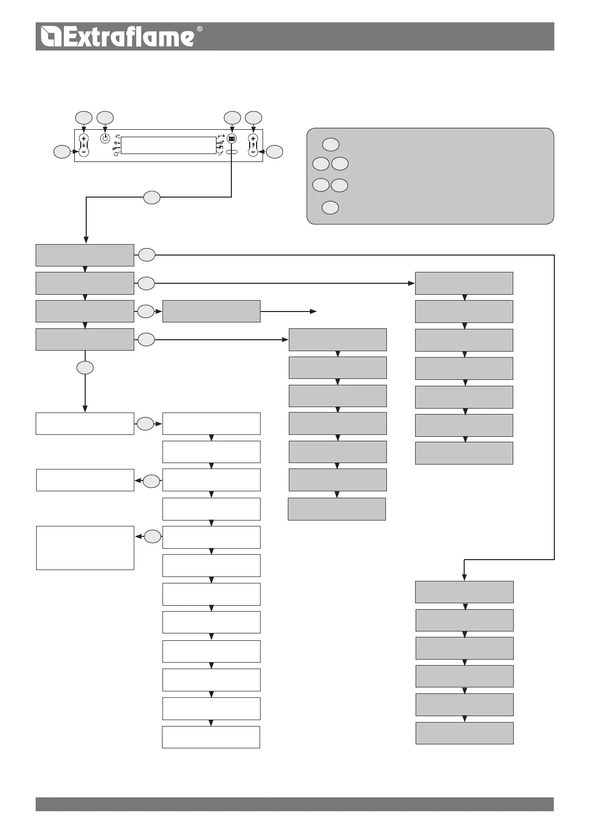
USER MENU STRUCTURE
GENERAL MENU
GO BACK  SAVE  EXIT
BROWSE PARAMETERS: NEXT P2 ; PREVIOUS P3
MODIFY SETTING DATA: INCREASE P4; DECREASE P5
CONFIRM  ACCESS MENU
SET CLOCK
SET CHRONO
LANGUAGE
USER
TECHNIC SET
CODE A0
GENERAL DATA
PARAMETER 05 FUMES SWITCHON
FACTORY CALIBRATION
PARAMETER 03 PELLET SWITCHON
INSTALLER
CONTROLS ACTIVE
CHIMNEY TYPE
CODE 77
OUTPUTS TEST
COUNTERS MEMORY
RESET PART HOURS
UNLOCK
CODE 77
DISPLAY
YEAR
MONTH
DAY
MINUTES
HOURS
ON/OFF CHRONO
REPEAT THE SAME PASSAGES FOR THE
OTHER 3 TIME PERIODS
SET PRG1
07 40°C
MONDAY PRG1...
ONOFF
STOP PRG1
START PRG1
PELLETS
as %
V1FAN
TANGENTIAL VENTILATION
STAND BY
BUTTONS LOCK
IT,EN,FR,DE,ES
DEFAULT
CODE 01
CONFIRM
KEY 1
P6
P6
P6
P6
P2
P6
P6
P6
...SUNDAY PRG1
ONOFF
DAY
PELLET + /- %
FUMES MOTOR +/- %
V2 FAN
DUCTING AIR
SET CHANNELS
RESET
ENCODER GAS MOTOR ON/OFF
DEBIMETER ON/OFF
IGNPLUG ON/OFF
SERIAL PORT ON/OFF
*ENCODER AUGER ON OFF
* ONLY WITH ELECTRONIC CARD 2272599
**ATTIVAZIONE
** AUTOMATIC DATE ACTIVATION STOVE

Related product manuals