EasyManua.ls Logo

FARFISA INTERCOMS ECHOS - Page 87

FARFISA INTERCOMS ECHOS
236 pages
Print Icon
To Next Page IconTo Next Page
To Next Page IconTo Next Page
To Previous Page IconTo Previous Page
To Previous Page IconTo Previous Page
Loading...
85
(MT11 - Gb2012)
Si 47MR/1
1+1
INTERCOMS *
4+1
VIDEOINTERCOMS
DV2D
DV4D
DV2D
DV4D
“A” “B”
“C-D-..”
230V
230V
127V
127V
0
0
3 3
10 109 9
8 8
xn(C)
xn(C)
x1(C)
x1(C)
xn(B)
xn(B)
xn(A) xn(A)
xn(A) xn(B)
1473
(DS1)
1473
(DS1)
“C-D-..”
6(C)
3(C)
X
Y
F
H
10
4
X
Y
F
H
10
4
X
Y
F
H
10
4
X
Y
F
H
10
4
DV2D
DV4D
DV2D
DV4D
DV2D
DV4D
DV2D
DV4D
X X
X X
Y Y
Y Y
F F
F F
H H
H H
2x
75W
2x
75W
X XY YF FH H
X XY YF FH H
X1
Y1
F
H
X1
Y1
F
H
X1
Y1
F
H
X1
Y1
F
H
PA
PA
SE
SE
H
F
X
Y
H
F
X
Y
1181E
PRS210
PA PA
SE SE
F
H
X
Y
F
H
X
Y
xn(A) xn(B)
P P
P P
C C
C C
E E
P P
1 1
A
S
A
S
E E
230V
230V
127V
127V
0
0
1181E 1181E
F F
H
H
4 4
C C
7b
2
1
7b
2
1
4
7
1
2
4
7
A
A
8b
9b
10b
8b
9b
10b
6
5 7a8a9a10a
A
F
43+
X
C
-
H
x3(A) x3(B)
x2(A) x2(B)
P P
1
1
A
S
A
S
AG100T
PL2..
MAS2..
MD2..
Mody Mody
Matrix Matrix
Agorà Agorà
Profilo Profilo
Matrix Matrix
Mody Mody
Profilo Profilo
Agorà Agorà
5 54 4
7 7
8 8
9 910 10
6
5 7a8a9a10a
6 6
7a 7a8a 8a9b 9b9a 9a
8b 8b
10a 10a7b 7b10b 10b3 3
X
Y
Y1
X1
F
H
Y
X
X1
Y1
F
H
Y
X
Y2
X2
Y3
X3
X
Y
X2
Y2
X3
Y3
21
AG100V
AG40CED
PL4.PED
MAS43.ED
MD1.ED
MD41D
AG100V
AG40CED
PL4.PED
MAS43.ED
MD1.ED
MD41D
AG100T
PL2..
MAS2..
MD2..
AG100T
PL2..
MA2..
MD2..
241D..
AG100T
PL2..
MAS2..
MD2..
241D..
AG100V
AG40CED
PL4.PED
MAS43.ED
MD1.ED
MD41D
AG100V
AG40CED
PL4.PED
MAS43.ED
MD1.ED
MD41D
1473
(DS2)
1473
(DS2)
Compact Compact
Compact Compact
Echos Echos
Echos Echos
Exhito Exhito
Exhito Exhito
Exhito Exhito
Exhito Exhito
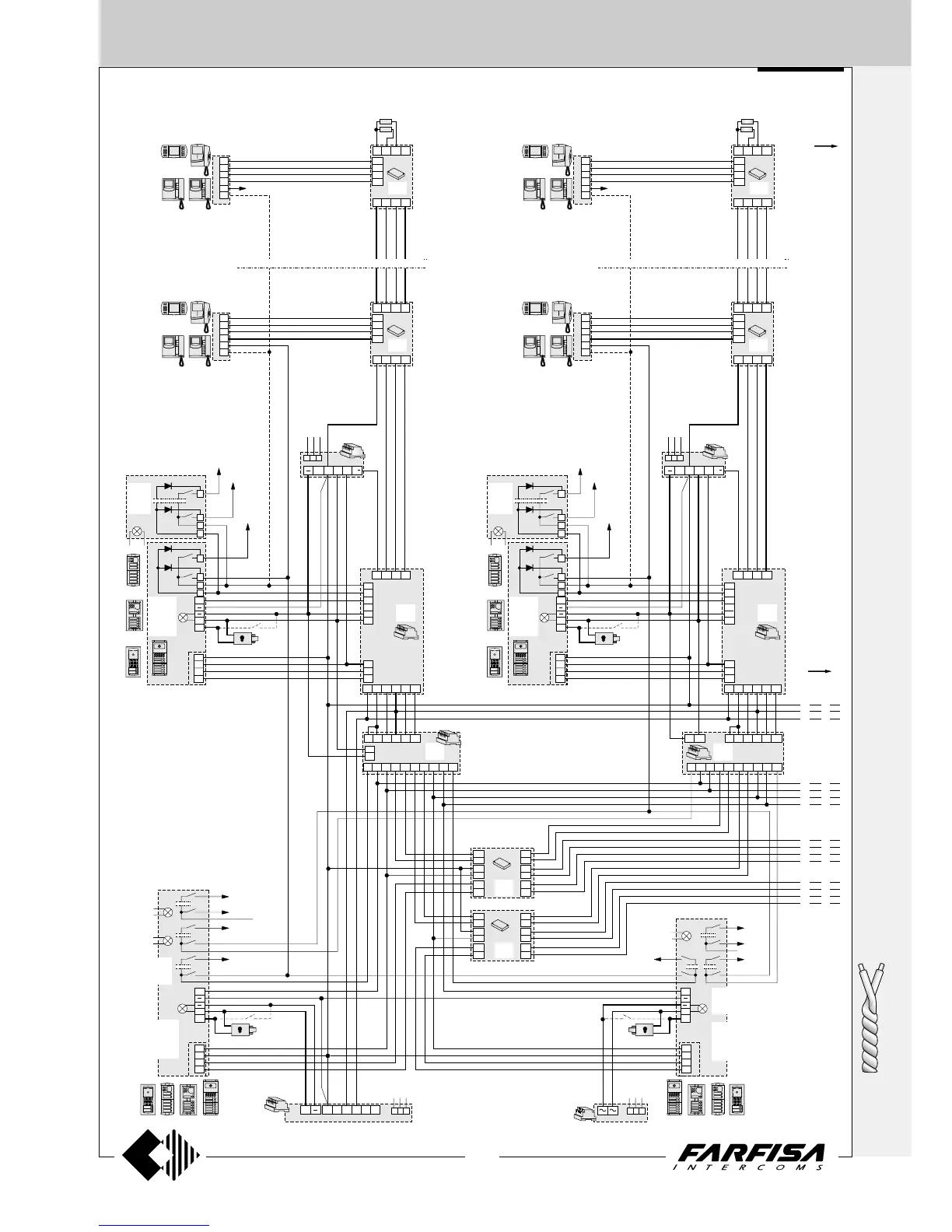
MULTI-WAY VIDEOINTERCOM SYSTEM WITH SECONDARY VIDEO STATIONS AND 2 MAIN COMMON VIDEO
STATIONS (multiple entrance)
secondary entrance
"a"
secondary entrance
"b"
main entrance "1"
main entrance "2"

Table of Contents

Related product manuals