EasyManua.ls Logo

Fermax 60305 - Esquema de Cableado del Kit

Fermax 60305
Print Icon
To Next Page IconTo Next Page
To Next Page IconTo Next Page
To Previous Page IconTo Previous Page
To Previous Page IconTo Previous Page
Loading...
Pag 14
KIT
VIDEOPORTERO DIGITAL 5 HILOS
VIDEOPORTERO DIGITAL 5 HILOS
+
-
L
V+
V-
CT
+-
V+
V-
..........
..........
....
....
Vac
Ct
L
B
S
EXT.
INT.
C
B
No
+-
+12
Nc
JP2
Vo-
+A
-A
CT
-
+
L
Vi-
Vi+
106CI08C
J1 PRG
Vo+
CN2
1
2
HIGH RESOLUTION
FLAT MONITOR
10 Kohm
-+-+
12 Vdc
PLAC
TELEFONO
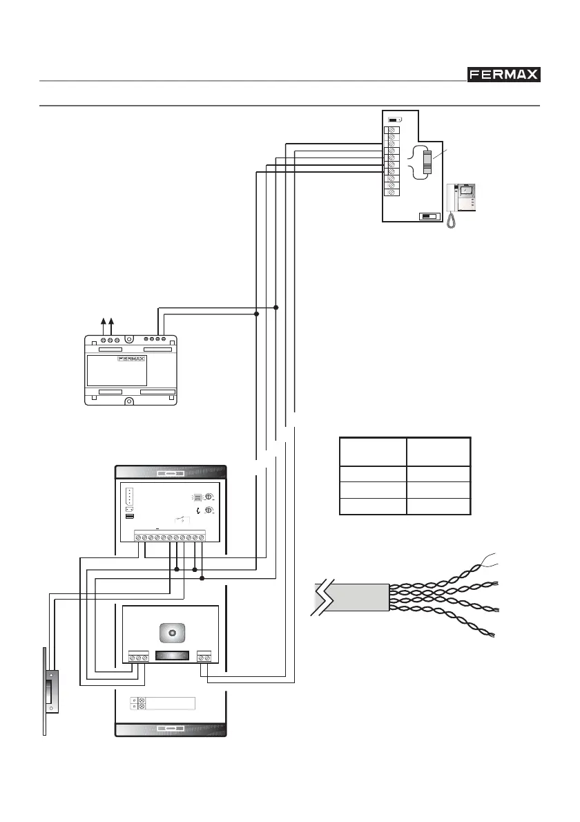
ESQUEMA DE CABLEADO DEL KIT
Es necesario colocar una resistencia de
10 Kohm entre los bornes + y L del monitor.
Con el kit se incluye una bolsa con 5
resistencias.
mm
mm
mm
SECCION
DISTANCIA
(en metros)
1 a 50
50 a 100
100 a 200
2,5
1,5
1
2
2
2
AMPLIFICADOR
KIT ADS
CAMARA
NOTA: El alimentador puede situarse en un punto intermedio de la instalación. Distancia
máxima a la placa: 30 metros.
Para distancias superiores a 100 metros
o equipos adicionales.
V+
+
-
L
V-
Cable UTP CAT 5 de 4 pares,
hasta una distancia máxima de
100 metros.
ALIMENTADOR

Related product manuals