EasyManua.ls Logo

Fermax 60305 - Kit Wiring Diagram

Fermax 60305
Print Icon
To Next Page IconTo Next Page
To Next Page IconTo Next Page
To Previous Page IconTo Previous Page
To Previous Page IconTo Previous Page
Loading...
Pag 42
KIT
VIDEOPORTERO DIGITAL 5 HILOS
VIDEOPORTERO DIGITAL 5 HILOS
+
-
L
V+
V-
CT
+-
V+
V-
..........
..........
....
....
Vac
Ct
L
B
S
EXT.
INT.
C
B
No
+-
+12
Nc
JP2
Vo-
+A
-A
CT
-
+
L
Vi-
Vi+
106CI08C
J1 PRG
Vo+
CN2
1
2
HIGH RESOLUTION
FLAT MONITOR
10 Kohm
-+-+
12 Vdc
PLAC
TELEFONO
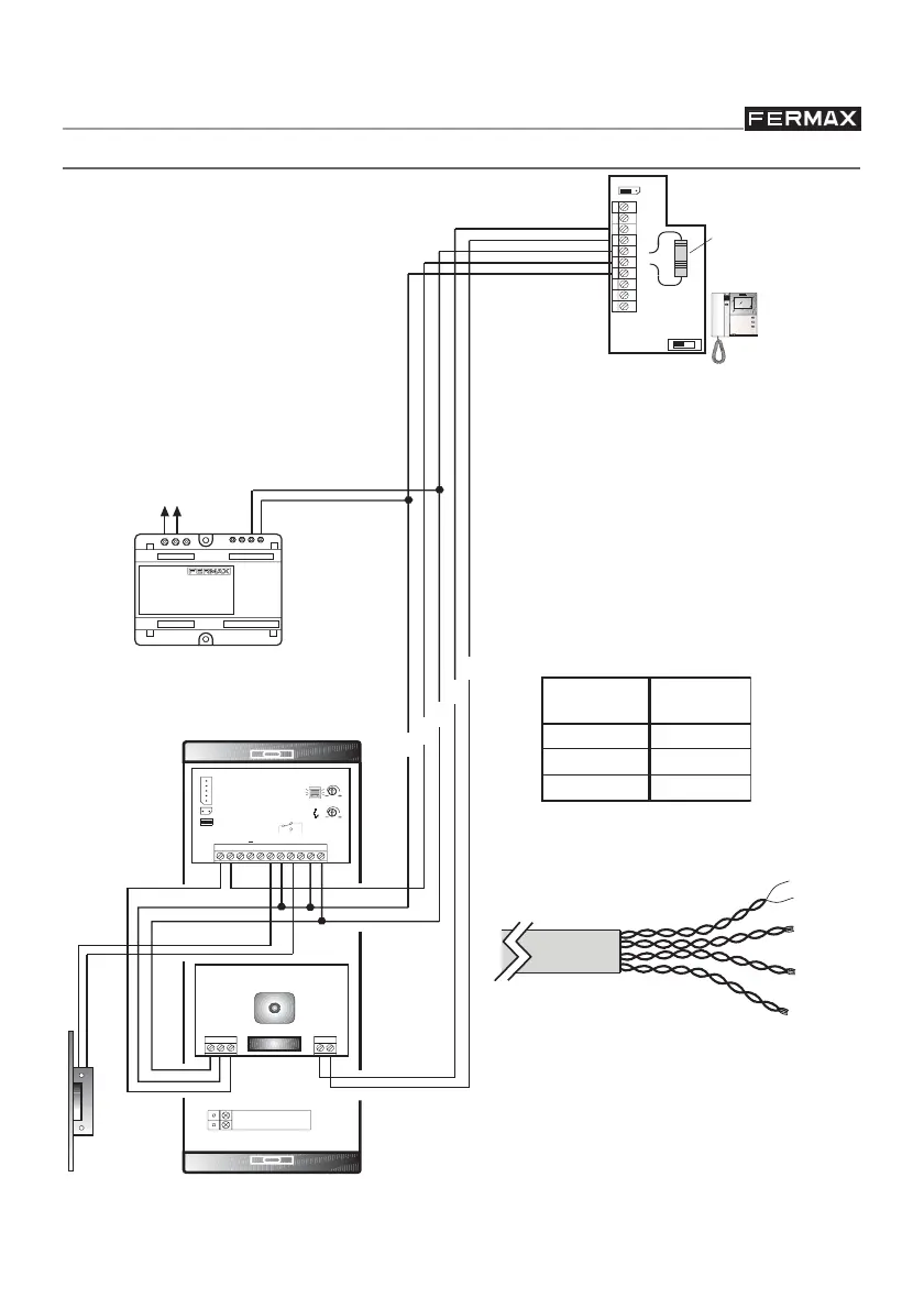
KIT WIRING DIAGRAM
A 10 Kohm resistance must be placed
between the monitor terminals + and L. A
bag with 5 resistances is included with
the kit.
mm
mm
mm
CROSS
SECTION
DISTANCE
(meters)
1 a 50
50 a 100
100 a 200
2,5
1,5
1
2
2
2
ADS KIT
AMPLIFIER
CAMERA
NOTE: The power supply may be placed at an intermediate point in the installation.
Maximum distance from panel: 30 metres.
For distances over 100 metres or
additional equipment sets.
V+
+
-
L
V-
CAT 5 UTP 4 pair cable, up to a
maximum distance of 100
metres.
POWER
SUPPLY

Related product manuals