EasyManua.ls Logo

Fermax 60305 - ADS Telephone Interface Installation; Telephone Interface Overview

Fermax 60305
Print Icon
To Next Page IconTo Next Page
To Next Page IconTo Next Page
To Previous Page IconTo Previous Page
To Previous Page IconTo Previous Page
Loading...
Pag 44
KIT
VIDEOPORTERO DIGITAL 5 HILOS
VIDEOPORTERO DIGITAL 5 HILOS
+
-
L
Vi+
Vi-
CT
+-
V+ V-
..........
..........
....
....
-+-+
HIGH PERFORMANCE
MULTIPLEXED DIGITAL SYSTEM
STOP
Vac
Vo-
+A
-A
CT
-
+
L
Vi-
Vi+
106CI08C
J1 PRG
Vo+
CN2
1
2
HIGH RESOLUTION
FLAT MONITOR
10 Kohm
-
-+
L
RTB
TFLNLN TFNONC CDDPRGUSE PWR
REF. 1088
REF. 8980
12 Vac - 1A
PRIM
SEC. 12Vac
Vac
Ct
L
B
S
EXT.
INT.
C
B
No
+-
+12
Nc
JP2
12 Vdc
PLACA
TELEFONO
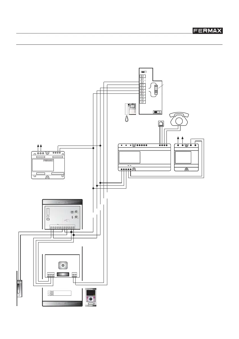
ADS Telephone Interface Installation
The Telephone Interface provides intercommunication service between the system
and the house, making use of the telephone installation of the dwelling and the
telephone apparatus in it. For further information, ask for our manual.
ADS KIT
AMPLIFIER
CAMERA
ADS
TELEPHONE
INTERFACE
POWER SUPPLY
A 10 Kohm resistance must be
placed between the monitor
terminals + and L. A bag with 5
resistances is included with the
kit.
NOTE: The power supply may be placed at an intermediate point in the installation.
Maximum distance from panel: 30 metres.
POWER
SUPPLY

Related product manuals