EasyManua.ls Logo

Festo CP-FB09-E - Page 33

Festo CP-FB09-E
Print Icon
To Next Page IconTo Next Page
To Next Page IconTo Next Page
To Previous Page IconTo Previous Page
To Previous Page IconTo Previous Page
Loading...
4
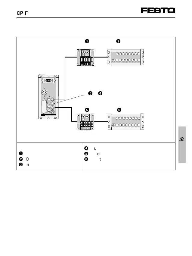
Adressage (Exemple)
Adresse 12
1
Octets 1/2: A20.0 ... A21.7
2
Octets 1/2: E20.0 ... E21.7
3
inutili
4
inutilisé
5
Octets 5/6: A24.0 ... A25.7
6
Octets 5/6: E24.0 ... E25.7
A = sortie; E = entrée
1. Un emplacement pour distributeur CP occupe deux adresses :
adresse de poids faible = bobine de pilotage 14
– adresse de poids fort = bobine de pilotage 12.
2. Les modules de sorties et d’entrées électriques occupent
respectivement 16 adresses de sorties et 16 adresses
d’entrées.
Le manuel "Noeud bus de terrain CPFB 9" contient de plus
amples informations ainsi que des exemples d’adressage d’un
système CP.
0
1
3
2
SAVE
POWER
24 VDC
POWER V
ERROR
PROFIBUS-DP
BUS ERROR
1
2
34
56
Français
CP FB9-E
9709 NH 33

Related product manuals