EasyManua.ls Logo

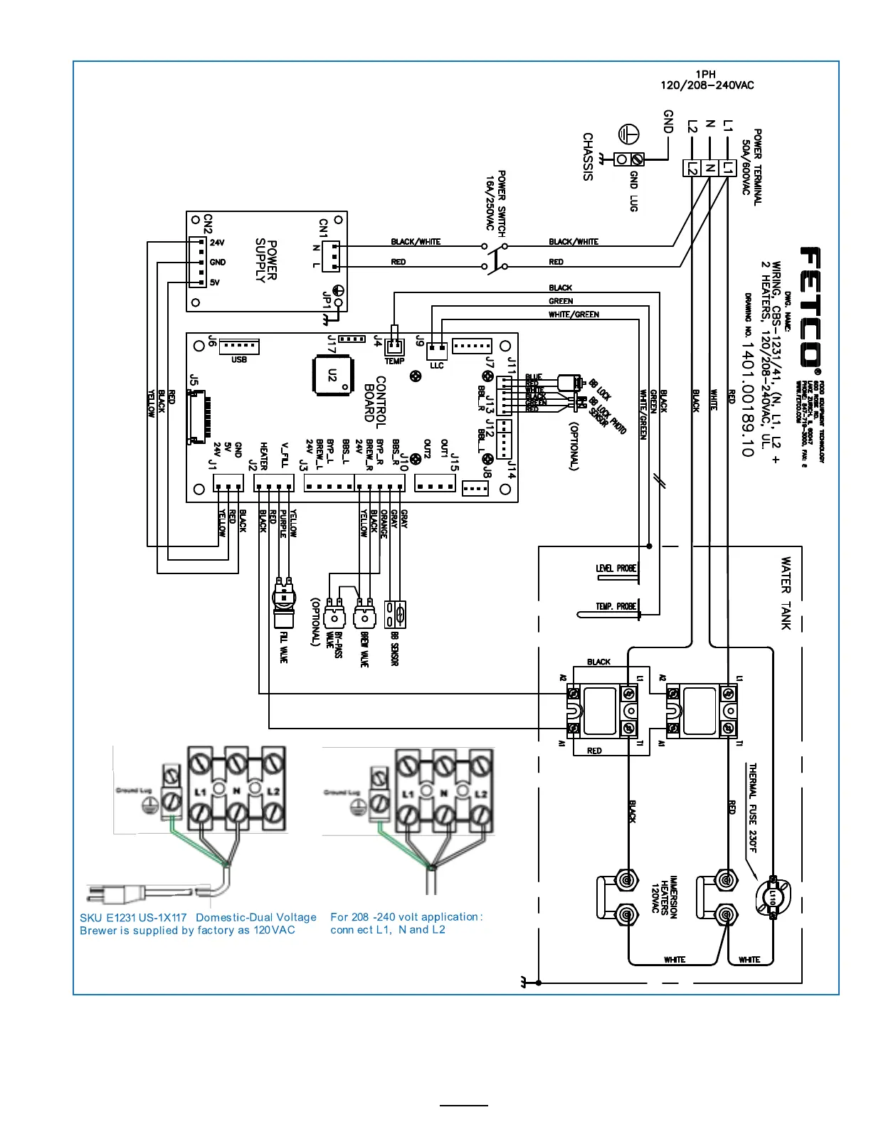
Fetco Extractor Plus CBS-1231 - Wiring Diagrams; CBS-1231 Domestic-Dual Voltage Wiring

Fetco Extractor Plus CBS-1231
30 pages
Print Icon
To Next Page IconTo Next Page
To Next Page IconTo Next Page
To Previous Page IconTo Previous Page
To Previous Page IconTo Previous Page
Loading...
Go to fetco.com for the latest versions of all information Page 27 User Guide & Operator instructions P211e0November 2021
Wiring Diagrams
SSR
SSR
SKU: E1231US-1X117-PM001
CBS-1231 Domestic-Dual
V
oltage

Related product manuals