EasyManua.ls Logo

Finkbeiner EHB702 - Slave Column Electricals

Default Icon
56 pages
Print Icon
To Next Page IconTo Next Page
To Next Page IconTo Next Page
To Previous Page IconTo Previous Page
To Previous Page IconTo Previous Page
Loading...
Spare parts lists and circuit diagrams
Walter Finkbeiner GmbH
Alte Poststrasse 9/11
72250 Freudenstadt / Germany
www.finkbeiner.eu
46 / 56
PB-BA-EHB702-102GB
22.02.2011
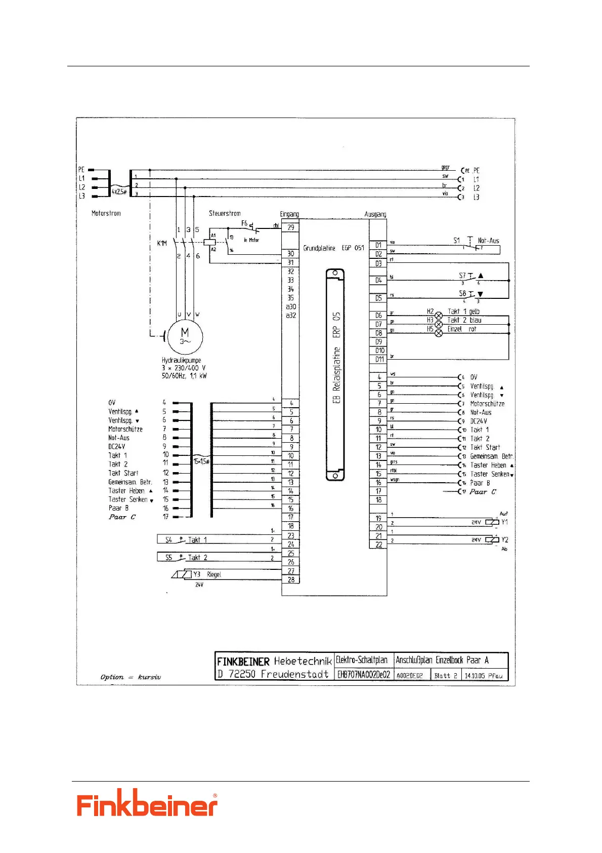
10.3.3 Electrical circuit diagram slave column

Table of Contents