EasyManua.ls Logo

Fire-Lite MS-9200UD - 2.8 Digital Communicator

Fire-Lite MS-9200UD
192 pages
Print Icon
To Next Page IconTo Next Page
To Next Page IconTo Next Page
To Previous Page IconTo Previous Page
To Previous Page IconTo Previous Page
Loading...
,QVWDOODWLRQ 'LJLWDO&RPPXQLFDWRU
 068'31$
2.8 Digital Communicator
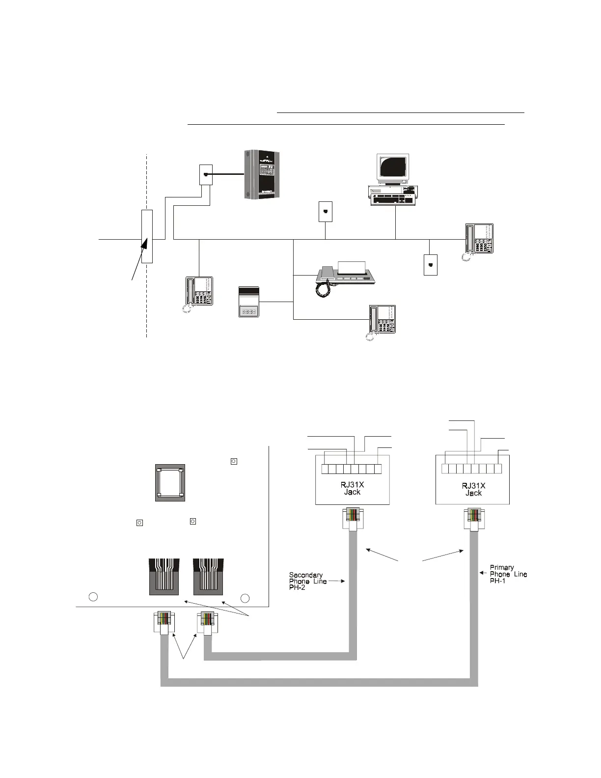
7ZRLQGHSHQGHQWWHOHSKRQHOLQHVFDQEHFRQQHFWHGWRWKHFRQWUROSDQHO7HOHSKRQHOLQH
FRQWUROFRPPDQGLVPDGHSRVVLEOHYLDGRXEOHOLQHVHL]XUHDVZHOODVXVDJHRIDQ5-;
VW\OHLQWHUFRQQHFWLRQ1RWHWKDWLWLVFULWLFDOWKDWWKHSDQHOVGLJLWDOFRPPXQLFDWRUEH
ORFDWHGDVWKHILUVWGHYLFHRQWKHLQFRPLQJWHOHSKRQHFLUFXLWWRSURSHUO\IXQFWLRQ
7KHFRQWUROSDQHOVGLJLWDOFRPPXQLFDWRULVEXLOWLQWRWKHPDLQFLUFXLWERDUG
&RQQHFWLRQDQGZLULQJRIWZRSKRQHOLQHVLVUHTXLUHGDVVKRZQEHORZ
M
S
-
9
2
0
0
U
D
Figure 2.1 DACT Installation
Customer Premises Equipment and Wiring
Telephone
Line
MS-9200UD
Network
Service
Provider’s
Facilities
Network
Demarcation
Point
RJ31X
Jack
Unused
RJ-11 Jack
Unused
RJ-11 Jack
Telephone
Telephone
Telephone
Answering
System
Fax Machine
Computer
Modular Female
Connectors
Male Plug
Connectors
7 foot
Cable
MCBL-7
(ordered
separately)
Note:Shorting bars
inside RJ31X Jack
removed during
male plug insertion
1
2
3
4
567
7
8
1
2
3
4
56 8
Tip
Tip
Ring
Ring
Green Wire
Green Wire
To premise phones
To premise phones
Red Wire
Red Wire
Ring
Ring
(Primary Lines)
Incoming Telco
Phone Lines
(Secondary Lines)
Incoming Telco
Phone Lines
Tip
Tip
KISSOFF
PRI. ACTIVE
SEC. ACTIVE
SEC. PHONE LINE
PRI. PHONE LINE
J13 J12
Figure 2.2 Wiring Phone Jacks

Table of Contents

Related product manuals