EasyManua.ls Logo

fisair CCB2.0 - Hardware Description

fisair CCB2.0
56 pages
Print Icon
To Next Page IconTo Next Page
To Next Page IconTo Next Page
To Previous Page IconTo Previous Page
To Previous Page IconTo Previous Page
Loading...
MANUAL for the basic control panel | CCB2.0
11
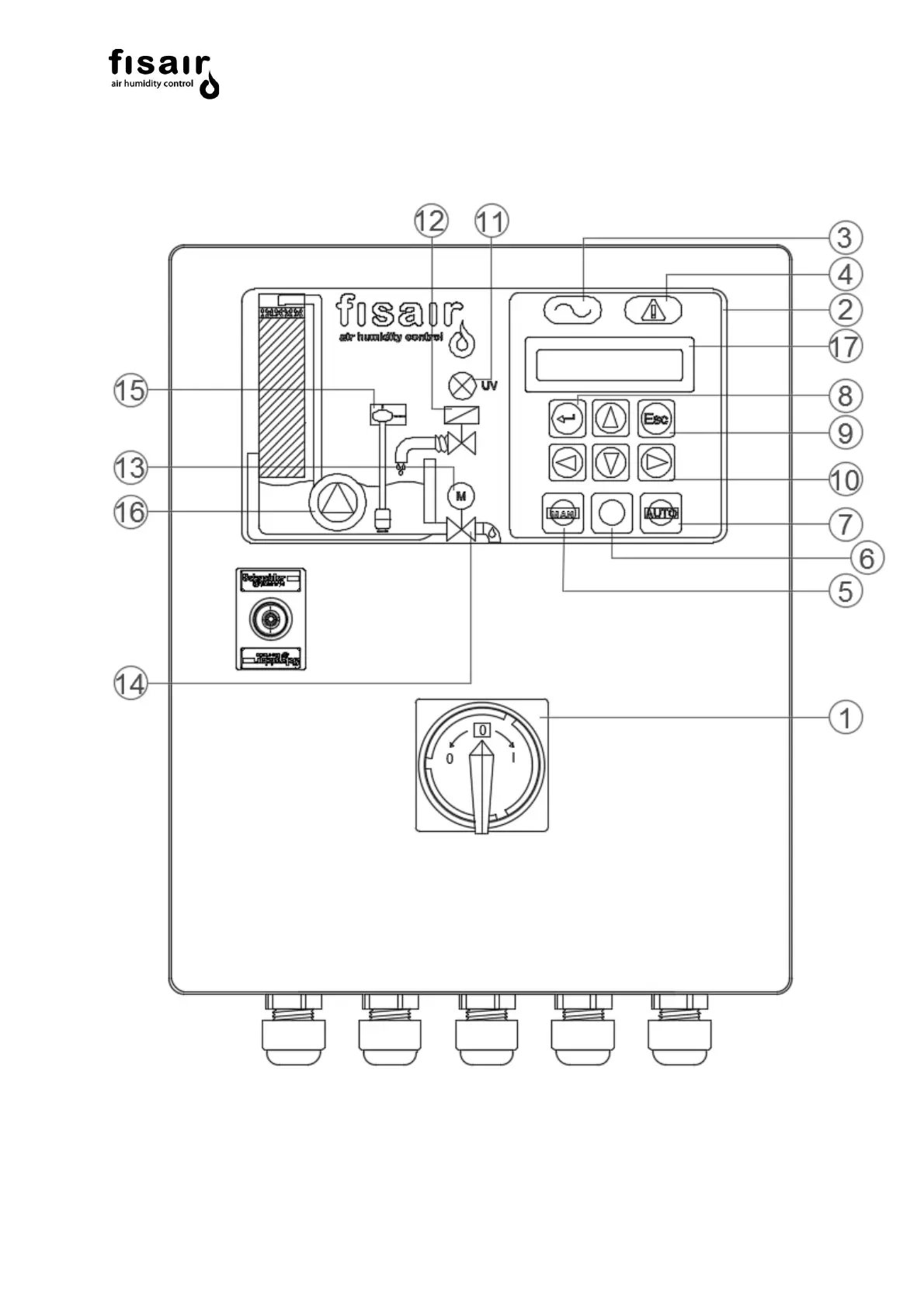
5. Hardware description
Figure 3.1: CCB2.0 front cover