EasyManua.ls Logo

fisair CCB2.0 - Page 14

fisair CCB2.0
56 pages
Print Icon
To Next Page IconTo Next Page
To Next Page IconTo Next Page
To Previous Page IconTo Previous Page
To Previous Page IconTo Previous Page
Loading...
MANUAL for the basic control panel | CCB2.0
14
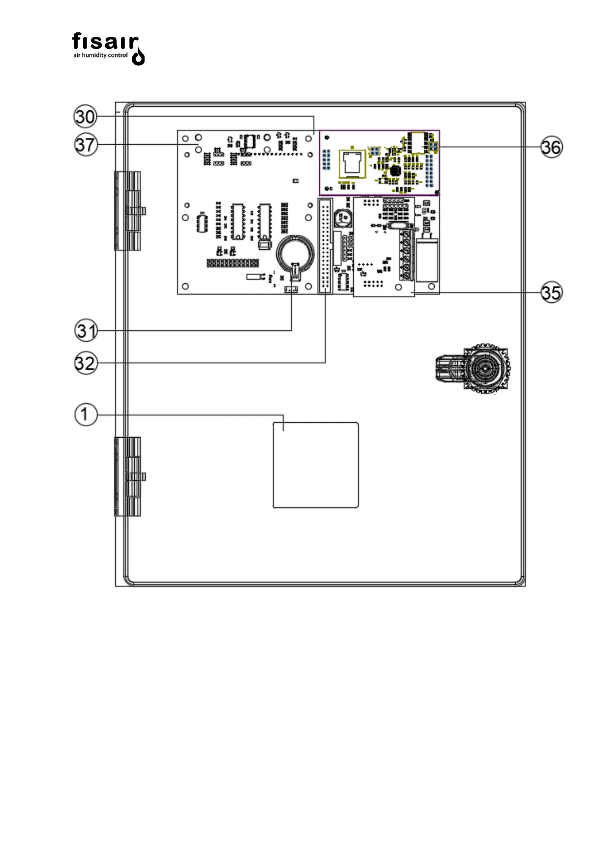
Figure 3.4: Inside cover CCB2.0 (optional data bus and conductivity cards. IP
connection)