EasyManua.ls Logo

Fisher ET - 8-Inch Design ET Valve Assembly with Whisperflo Cage

Fisher ET
44 pages
Print Icon
To Next Page IconTo Next Page
To Next Page IconTo Next Page
To Previous Page IconTo Previous Page
To Previous Page IconTo Previous Page
Loading...
ET Valve
Instruction Manual
Form 5081
June 2002
27
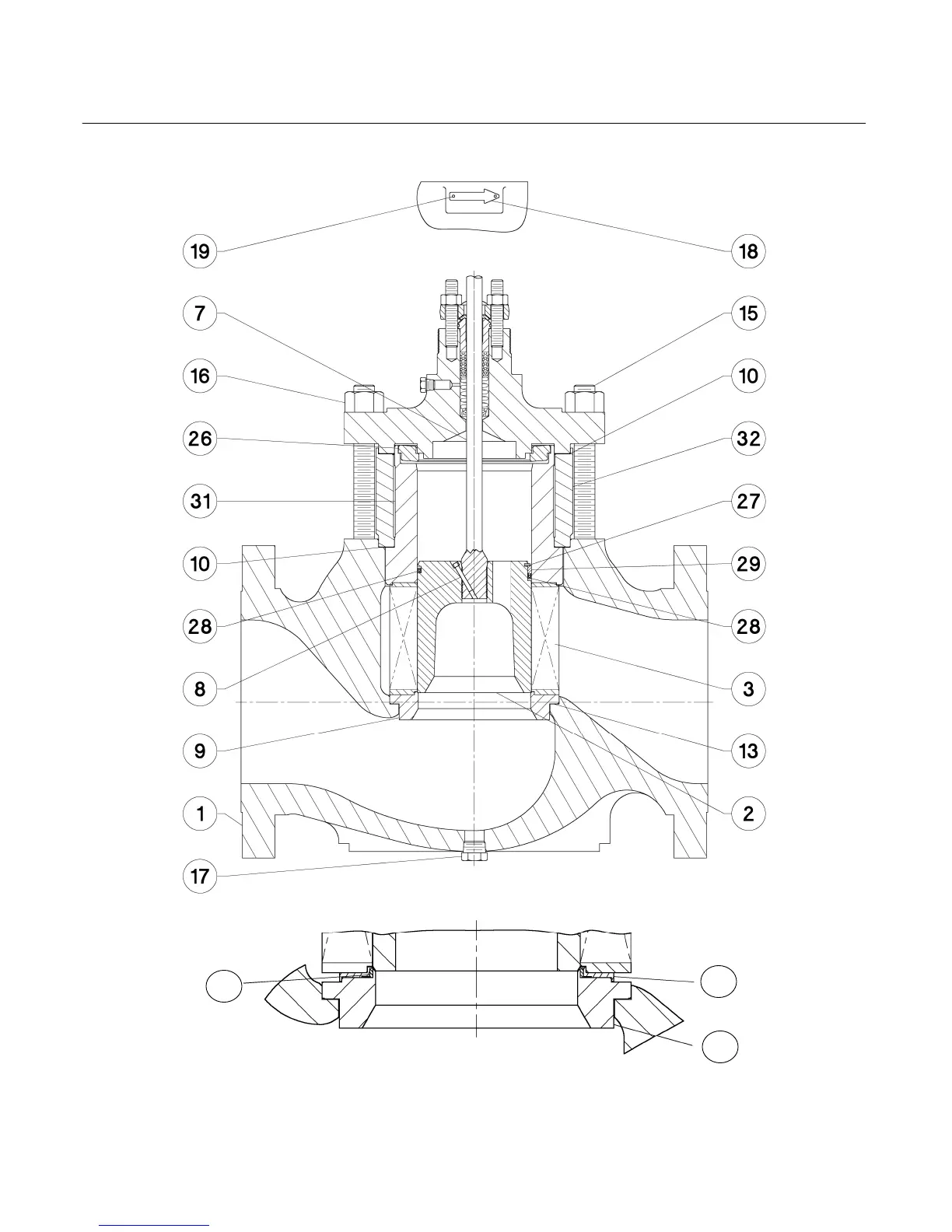
Figure 19. 8-Inch Design ET Valve Assembly with WhisperFlo Cage
58B2346-A
DETAIL OF PTFE SEAT
21
22
23

Table of Contents

Related product manuals