EasyManua.ls Logo

FLOWMAX Technologies 120 - Water Circuit

FLOWMAX Technologies 120
93 pages
Print Icon
To Next Page IconTo Next Page
To Next Page IconTo Next Page
To Previous Page IconTo Previous Page
To Previous Page IconTo Previous Page
Loading...
GENERAL INFORMATION
13
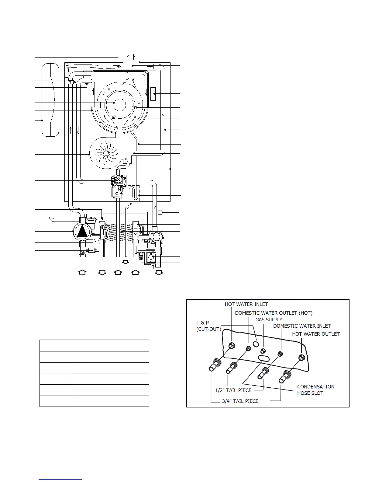
2.4 Water circuit
LEGEND
1. PRIMARY CONDENSING HEAT EXCHANGER
2. PREMIX BURNER UNIT (GAS
MANIFOLD+BURNER)
3. CONDENSATE DRAIN PIPE
4. IONIZATION ELECTRODE
5. IGNITION ELECTRODE
6. FAN
7. VENTURI
8. IGNITION TRANSFORMER
9. ELECTRONIC GAS VALVE
10. PRESSURE RELIEF VALVE
11. AUTOMATIC AIR VENT VALVE
12. HEATING SAFETY THERMOSTAT
13. HEATING SENSOR
14. PUMP WITH AIR VENT
15. WATER PRESSURE SWITCH
16. EXHAUST HOOD
17. SAFETY THERMO FUSE
18. EXPANSION TANK
19. D.H.W. SENSOR
20. CONDENSATE TRAP
21. WATER PRESSURE GAUGE
22. AUTOMATIC BY-PASS
23. CONDENSATE DRAIN PIPE
24. SYSTEM DRAIN VALVE
25. ROOM SEAL CHAMBER BACK SIDE
26. FLOW LIMITER
27. ELECTRONIC FLOWSWITCH
28. DHW EXCHANGER
29. DIVERTER ACTUATOR VALVE
30. HEATING LOOP FILL TAP
31. AIR PRESSURE SWITCH
32. NO-RETURN VALVE
LEGEND
HI
HEATING INLET
HO
HEATING OUTLET
G
GAS
CWI
COLD WATER INLET
HWO
HOT WATER OUTLET
SC
CONDENSATE DRAIN
3
19
22
21
SC
23
25
18
17
2
16
19
5
4
6
9
20
11
10
24
14
15
27
29
28
13
1
12
7
30
32
26
HWO CWIG
31
8
HI HO

Related product manuals