EasyManua.ls Logo

Fluke 5725A - Page 150

Fluke 5725A
208 pages
Print Icon
To Next Page IconTo Next Page
To Next Page IconTo Next Page
To Previous Page IconTo Previous Page
To Previous Page IconTo Previous Page
Loading...
5725A
Instruction Manual
8-10
aq27f.tif
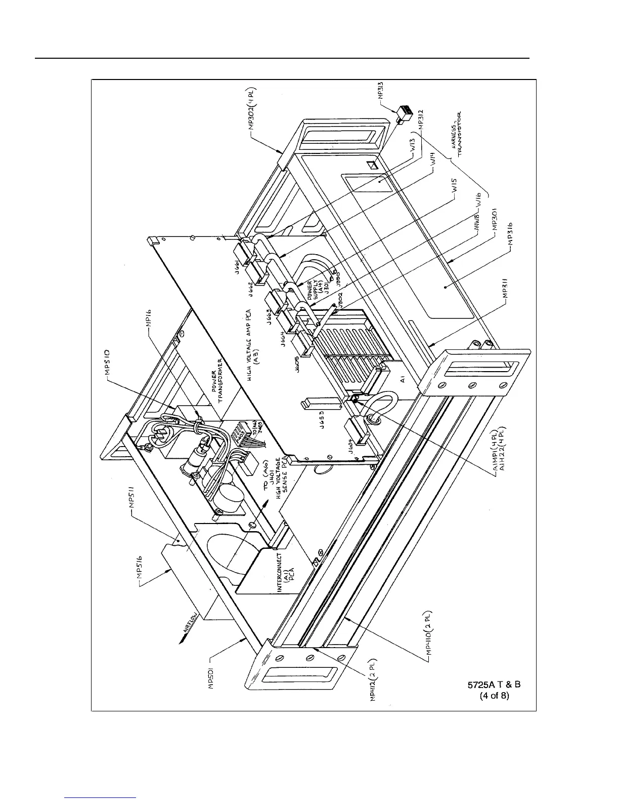
Figure 8-1. Final Assembly (cont)

Table of Contents

Related product manuals