EasyManua.ls Logo

Fluke 7008 - Page 45

Fluke 7008
78 pages
Print Icon
To Next Page IconTo Next Page
To Next Page IconTo Next Page
To Previous Page IconTo Previous Page
To Previous Page IconTo Previous Page
Loading...
Controller Operation
9.2 Reset Cut-out 9
9-3
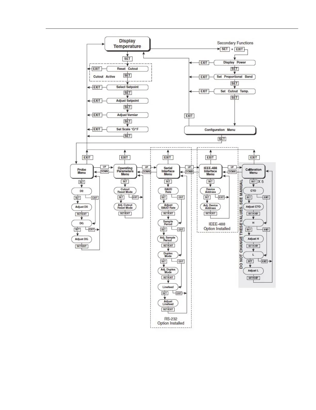
Figure 7. Controller Operation Flowchart

Table of Contents

Related product manuals