EasyManua.ls Logo

Follett REF20-PH - Wiring Diagram - Tecumseh

Follett REF20-PH
36 pages
Print Icon
To Next Page IconTo Next Page
To Next Page IconTo Next Page
To Previous Page IconTo Previous Page
To Previous Page IconTo Previous Page
Loading...
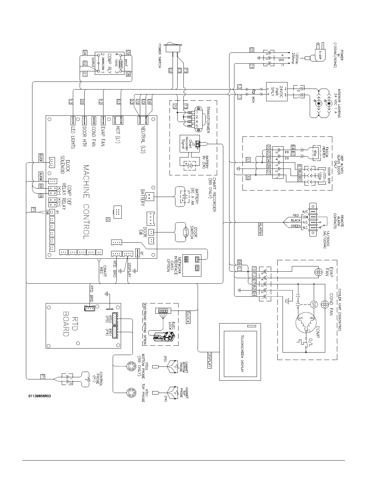
22 01134592 – REF20/25 LB, PH, BB
Wiring diagram - Tecumseh

Related product manuals