EasyManua.ls Logo

Follett Symphony 25CI400A - Wiring Diagrams; SensorSAFE Dispense Model Wiring Diagram

Follett Symphony 25CI400A
48 pages
Print Icon
To Next Page IconTo Next Page
To Next Page IconTo Next Page
To Previous Page IconTo Previous Page
To Previous Page IconTo Previous Page
Loading...
22 25CI400A/W • 25HI400A • 50CI400A/W • 50HI400A
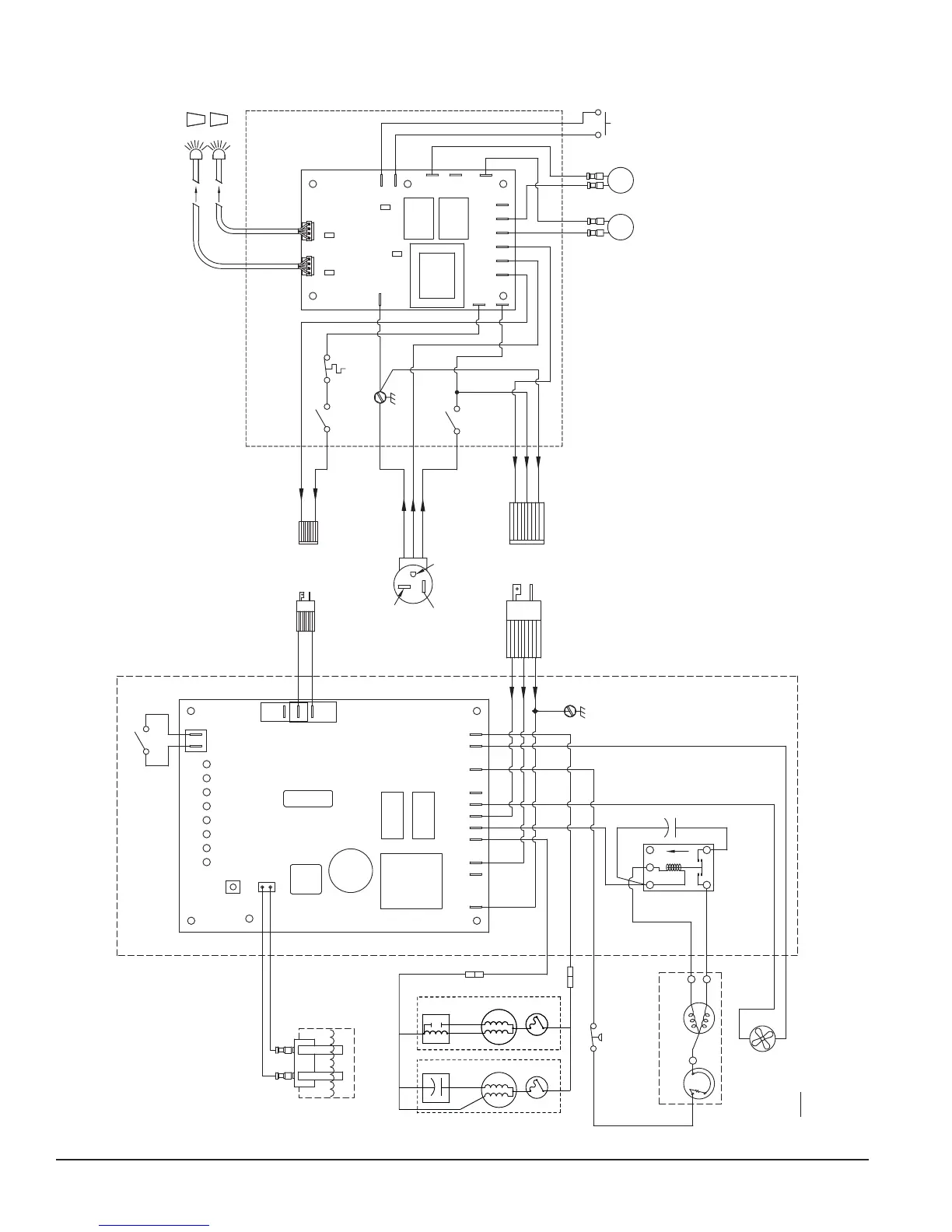
Wiring diagram - SensorSAFE model
SensorSAFE Dispensing Wiring Diagram
L2
DRIVE
L2
FAN
COMP
L2
L2
VAC
LINE
VAC
24
SOFTWARE
I.D.
SWITCH
COMP
2ND
B-T
B-E
WTR
60M
20M
C
POWER
RESET
L2
L1
EARTH
L1
SENSOR
WATER
LABEL
I.D.
DR
LEVEL SENSOR
(SEE NOTE #2)
SL
12M
UP
COMP. START
COMPRESSOR SWITCH
I = COMP ON
O = COMP OFF
WHT
BLK
GRN
CAPACITOR
ICE MACHINE ELECTRICAL BOX
COMPRESSOR
START RELAY
WATER RESERVOIR
(SEE NOTE #1)
HI PRESSURE
SAFETY SWITCH
P
S
COMPRESSOR
OVER-LOAD
COMPRESSOR
C
R
START
RUN
CONDENSER
FAN
NOTES:
1. HIGH PRESSURE SAFETY SWITCH
OPENS @ 425psi CLOSES @ 297psi (SNAP SWITCH)
2. COMPRESSOR START RELAY IS GRAVITY SENSITIVE.
SEE LABEL ON RELAY FOR PROPER ORIENTATION.
GROUND
SCREW
ICE MACHINE PCB
WHT
WHT
WHT
BLK
BLK
BLK
RED
ORG
BLK
WHT
GRN
RED
115 60Hz
FROM
DISPENSER BOX
ICE MACHINE
POWER
CONNECTION
BLU
WHT
GND-GRN
L1-BLK
L2-WHT
BLK GRN
WHT
125VAC 20A
PLUG
NEMA 5-20P
L2
L2
L2
L2
L2
L2
L1
EARTH
WTR
SOL WM
CLN
CLN
PWR
ICE
WTR
BIN SIGNAL
SWITCH
POWER
SWITCH
T S TAT
(ICE LEVEL)
WHT
BLK
GRN
GROUND
SCREW
DISPENSER ELECTRICAL BOX
WHT
BLK
SENSOR SAFE PCB
CLEAN
SWITCH
DISPENSE
MOTOR
WATER
SOLENOID
M
S
WATER SENSOR
ICE SENSOR
BIN SIGNAL
CONNECTION
24/115 VAC
FROM
DISPENSER
WHT
BLK
GEAR MOTOR
START
T.O.L.
GEAR MOTOR
YELLOW
3
4
2
BLACK
START
T.O.L.
START
RUN
START
RUN
BISON
GEAR
MOTOR
LINIX
GEAR
MOTOR
OR

Table of Contents

Related product manuals