EasyManua.ls Logo

Follett Symphony 25CI400A - Diagnostic Sequences; Stage 7: Over-Torque Error (20 M LED); Stage 8: Over-Torque Error (60 M LED)

Follett Symphony 25CI400A
48 pages
Print Icon
To Next Page IconTo Next Page
To Next Page IconTo Next Page
To Previous Page IconTo Previous Page
To Previous Page IconTo Previous Page
Loading...
25CI400A/W • 25HI400A • 50CI400A/W • 50HI400A 27
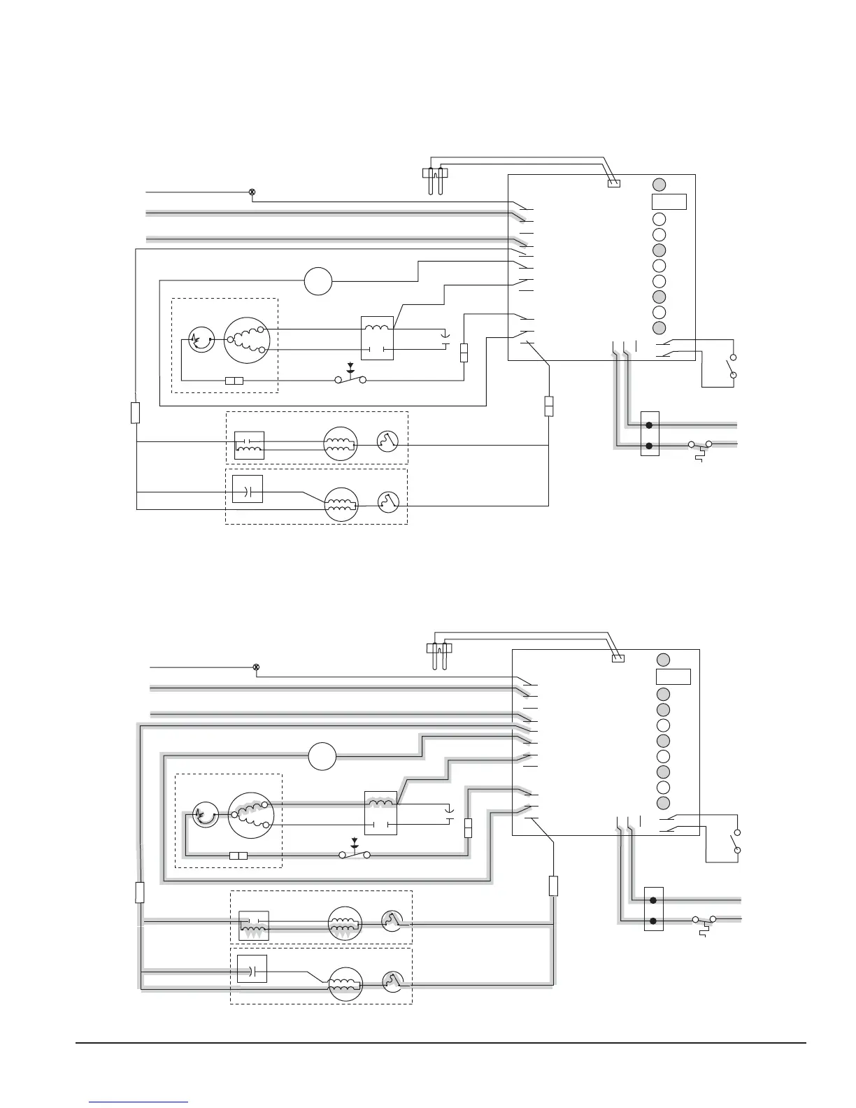
Diagnostic sequence – Stage 7
The 20 minute error LED (20M) is on, indicating that the control board has sensed an over-torque condition (above
3A on the gearmotor). The 20M LED remains on for 20 minutes after an over-torque condition has occurred. The
ice machine remains off as long as the 20M LED is on. When the 20M LED goes off, the control board will try to go
through a normal start-up sequence. The WTR LED remains on as long as the water sensor in the  oat reservoir
senses water.
GRD
L1
L1
L2
L2
L2
L2
L2
COMPRESSOR
FAN
DRIVE
DR
C
20M
60M
2ND
WTR
B-T
B-E
RESET
GRD
G
B
W
FAN
BLACK
WHITE
BLACK
BLACK
R
ORANGE
S
S
L
COMPRESSOR
C
RED
BLACK
BLACK
INPUT
POWER
WATER
SENSOR
CONTROL
BOARD
24V
COMMON
LINE VAC
RED
RED
WHITE
BLACK
BIN T-STAT
BIN SIGNAL
FROM DISPENSER
JUNCTION BOX
(MCD400A/WVS series –
blk wire is on 24V)
WHITE
RED
WHITE
M
1
COMPRESSOR
SWITCH
PWR
BLACK
T.O.L.
BLACK
RED
HIGH PRESSURE
SAFETY SWITCH
M
WHITE
BLACK
BLUE
RELAY
START
T.O.L.
BLACK
4
2
3
YELLOW
GEAR MOTOR
T.O.L.
GEAR MOTOR
RED
START
RUN
RUN
START
START CAP.
WHITE
BISON GEARMOTOR
LINIX GEARMOTOR
OR
Diagnostic sequence – Stage 8
If the restart is successful the 20M LED goes off, the 60 minute timer LED (60M) comes on. The 60M LED remains
on for 60 minutes from restart. A lighted 60M LED indicates that the ice machine has experienced an over-torque
condition. If the ice machine runs without problems for 60 minutes and no additional torque errors occur, the 60M LED
goes off and the ice machine continues normal operation.
GRD
L1
L1
L2
L2
L2
L2
L2
COMPRESSOR
FAN
DRIVE
DR
C
20M
60M
2ND
WTR
B-T
B-E
RESET
GRD
G
B
W
FAN
BLACK
WHITE
BLACK
BLACK
R
ORANGE
S
S
L
COMPRESSOR
C
RED
BLACK
BLACK
INPUT
POWER
WATER
SENSOR
CONTROL
BOARD
24V
COMMON
LINE VAC
RED
RED
WHITE
BLACK
BIN T-STAT
BIN SIGNAL
FROM DISPENSER
JUNCTION BOX
(MCD400A/WVS series –
blk wire is on 24V)
WHITE
RED
WHITE
M
1
COMPRESSOR
SWITCH
PWR
BLACK
T.O.L.
BLACK
RED
HIGH PRESSURE
SAFETY SWITCH
M
BLACK
WHITE
WHITE
BLUE
RELAY
START
T.O.L.
BLACK
4
2
3
YELLOW
GEAR MOTOR
T.O.L.
GEAR MOTOR
RED
START
RUN
RUN
START
START CAP.
BISON GEARMOTOR
LINIX GEARMOTOR
OR

Table of Contents

Related product manuals