EasyManua.ls Logo

Fomotech FHSS Series - Page 19

Fomotech FHSS Series
49 pages
Print Icon
To Next Page IconTo Next Page
To Next Page IconTo Next Page
To Previous Page IconTo Previous Page
To Previous Page IconTo Previous Page
Loading...
- 18 -
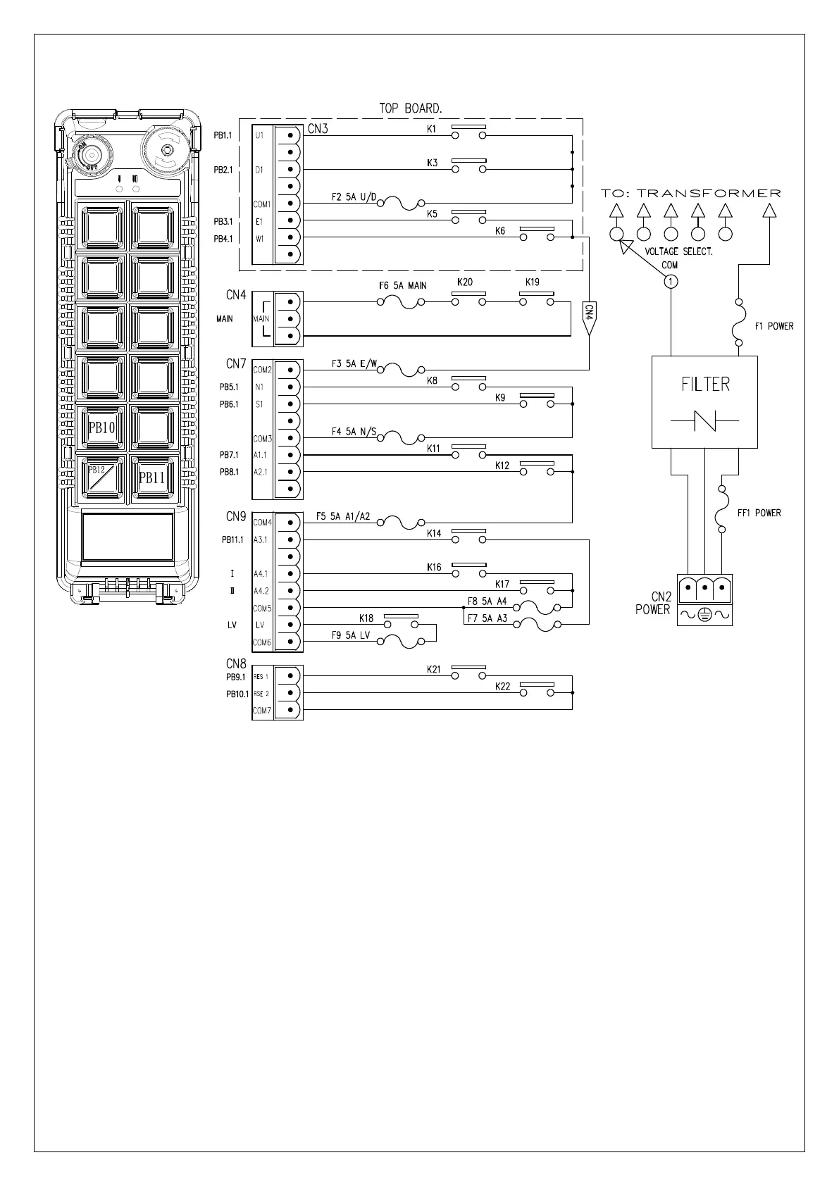
STOPPOWER
PB1PB2
PB4 PB3
PB5PB6
PB8 PB7
PB9
I\II
(Alpha 612BJ)

Table of Contents

Related product manuals