EasyManua.ls Logo

Forma Scientific 3546 - 4.5 Alarm;Monitor Module

Forma Scientific 3546
66 pages
Print Icon
To Next Page IconTo Next Page
To Next Page IconTo Next Page
To Previous Page IconTo Previous Page
To Previous Page IconTo Previous Page
Loading...
Forma Scientific, Inc.__________________________________________________Operation
4-6
CO
2
Inject Light
The CO
2
inject light is activated whenever there is a demand for CO
2
to meet setpoint
requirements. Since the CO
2
inject light is independent of the CO
2
alarm, it will continue
to signal a need for CO
2
when the CO
2
alarm is set to either the defeat or silence
position.
CO
2
Zero Adjustment
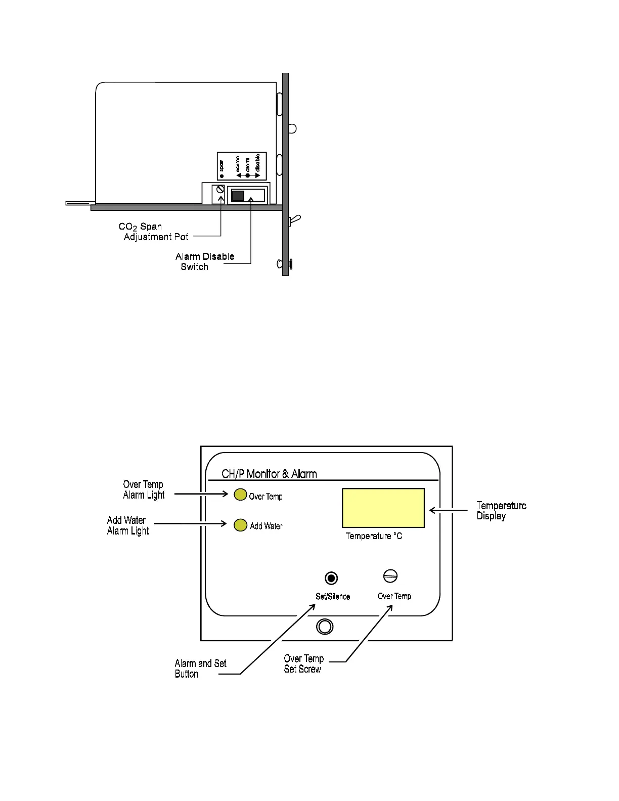
Temperature Monitor and Alarm Control Panel
Figure 4-5
Figure 4-4
Alarm Disable Switch on the CO
2
Control
Module

Table of Contents

Related product manuals