EasyManua.ls Logo

Fral FACSW90IU - Circuito Frigorifero; Guida Generale Installazione Unità Esterna

Fral FACSW90IU
Print Icon
To Next Page IconTo Next Page
To Next Page IconTo Next Page
To Previous Page IconTo Previous Page
To Previous Page IconTo Previous Page
Loading...
25
M.FACSW90IU-00 ITA-ENG 13/03/2023
FACSW
ITA
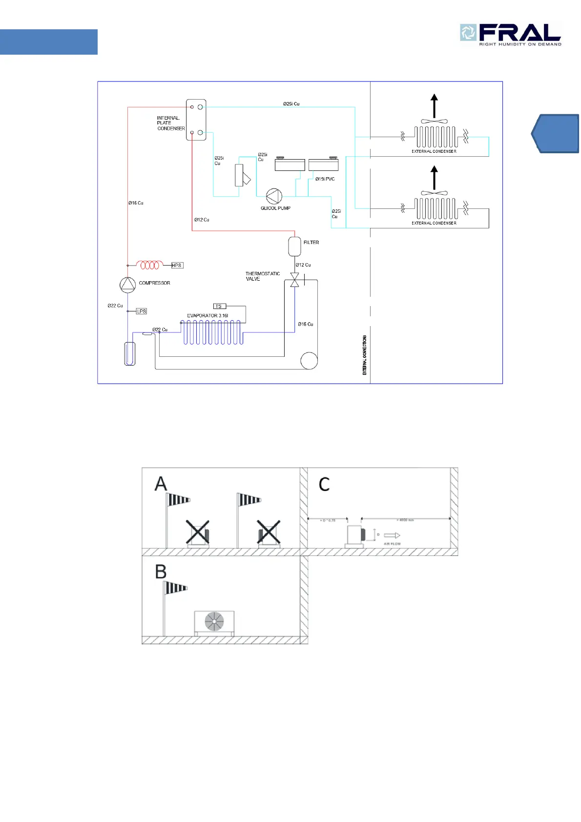
15 Circuito frigorifero
15.1 Guida generale installazione unità esterna

Table of Contents

Related product manuals