EasyManua.ls Logo

Friendess FSCUT2000E - J02 PWM;DA Terminals

Default Icon
33 pages
Print Icon
To Next Page IconTo Next Page
To Next Page IconTo Next Page
To Previous Page IconTo Previous Page
To Previous Page IconTo Previous Page
Loading...
13
FSCUT2000E User Manual
2.2.3
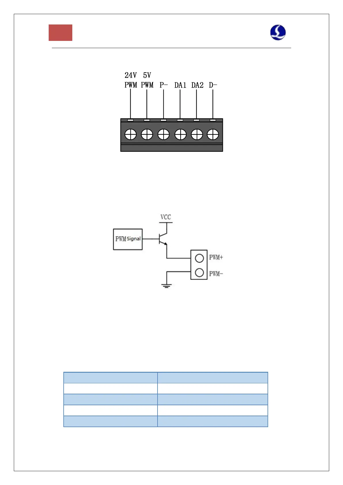
J02PWM/DA Terminals
Figutr 4 PWM/DA Terminals
BCL4566E has 2 channels of PWM pulse width modulation signal, the left channel is
24V level PWM. The right channel is 5V level PWM, and P- is the negative terminal of the
PWM signal. The duty cycle is adjustable from 0% to 100%, and the highest carrier
frequency is 50KHz. The signal output mode is shown in the figure below.
Figure 5 PWM Output Circuit
Note: 1) There are dedicated enabling relays for PWM+ and PWM- signals, and there is no need
for external relay isolation.
2) Wrong connection of 5V/24V PWM signal may cause damage to the laser.
BCL4566E has 2 channels of 0~10V analog output. DA1/DA2 is the positive terminal of analog
quantity, and D- is the negative terminal of analog quantity. DA1/DA2 can be configured as
the control signal of laser peak power and gas proportional valve in the "Cypfig" that comes
with CypcutE software.
Output signal
0V~+10V
Max Output
50mA
Max Error
+/-10mV
Resolution
2.7mV
Conversion
400us

Related product manuals