EasyManua.ls Logo

Frigomat T4S - Page 196

Frigomat T4S
Print Icon
To Next Page IconTo Next Page
To Next Page IconTo Next Page
To Previous Page IconTo Previous Page
To Previous Page IconTo Previous Page
Loading...
5
-
APPENDIC
I
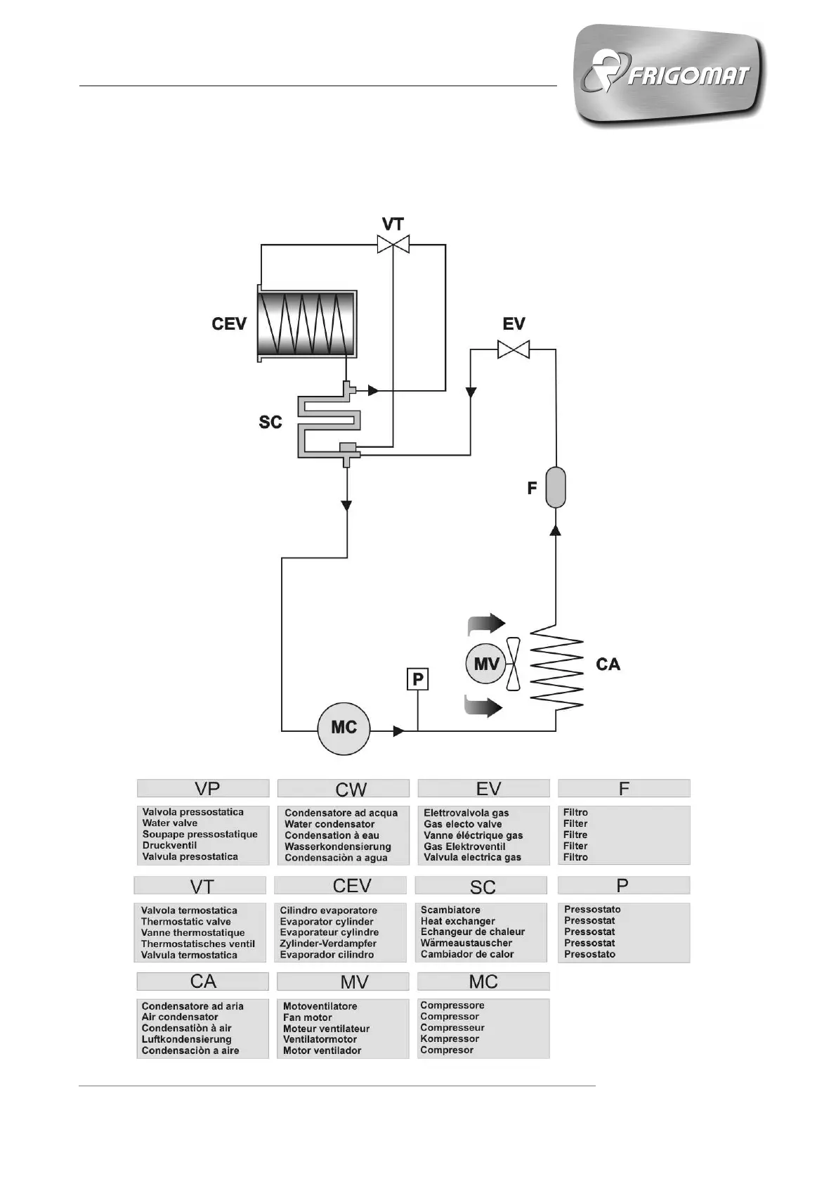
9.2.2 T5S

Table of Contents

Related product manuals