EasyManua.ls Logo

Fromm TP-601D1 - Page 92

Fromm TP-601D1
149 pages
Print Icon
To Next Page IconTo Next Page
To Next Page IconTo Next Page
To Previous Page IconTo Previous Page
To Previous Page IconTo Previous Page
Loading...
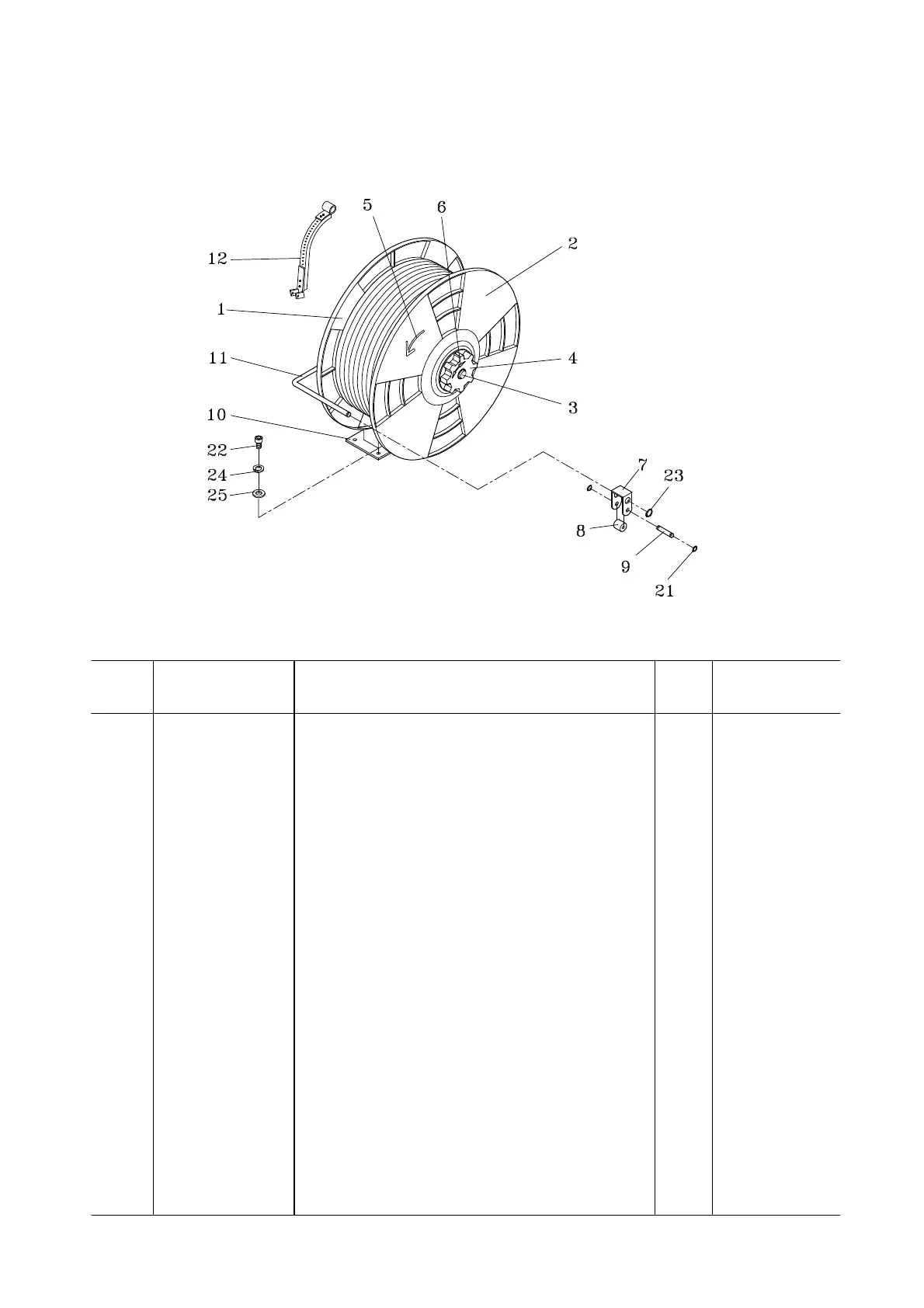
REEL CONROL GROUP
-56-
4-3 T6-4-30000
(For TP-601L)
REF.
NO.
1 Inner Flange
PART NO.
TC-013
DESCRIPTION REMARKS
Q'TY
1
Outer FlangeTC-01421
Reel ShaftTD-003
3
1
Reel Nut Handle (LH)TD-01641
LabelLA-30200
5
1
LabelLA-3021061
Roller HolderTE-027
7
1
RollerTE-028
8
1
PinTE-02991
Reel SupportTL-012
10
1
Brake ArmTL-02111 1
Brake LiningTL-03012 1
TD-003S Reel Shaft (Stainless Steel Model) 1
TE-027S Roller Holder (Stainless Steel Model) 1
TE-029S Pin (Stainless Steel Model) 1
TL-012S Reel Support (Stainless Steel Model)
1
TL-021S Brake Arm (Stainless Steel Model) 1
01/10/08

Related product manuals