EasyManua.ls Logo

Fronius Primo GEN24 3.0 - Automatic Switch to Backup Power 2-Pin Double Separation - E.g. UK; Circuit Diagram

Fronius Primo GEN24 3.0
192 pages
To Next Page IconTo Next Page
To Next Page IconTo Next Page
To Previous Page IconTo Previous Page
To Previous Page IconTo Previous Page
Loading...
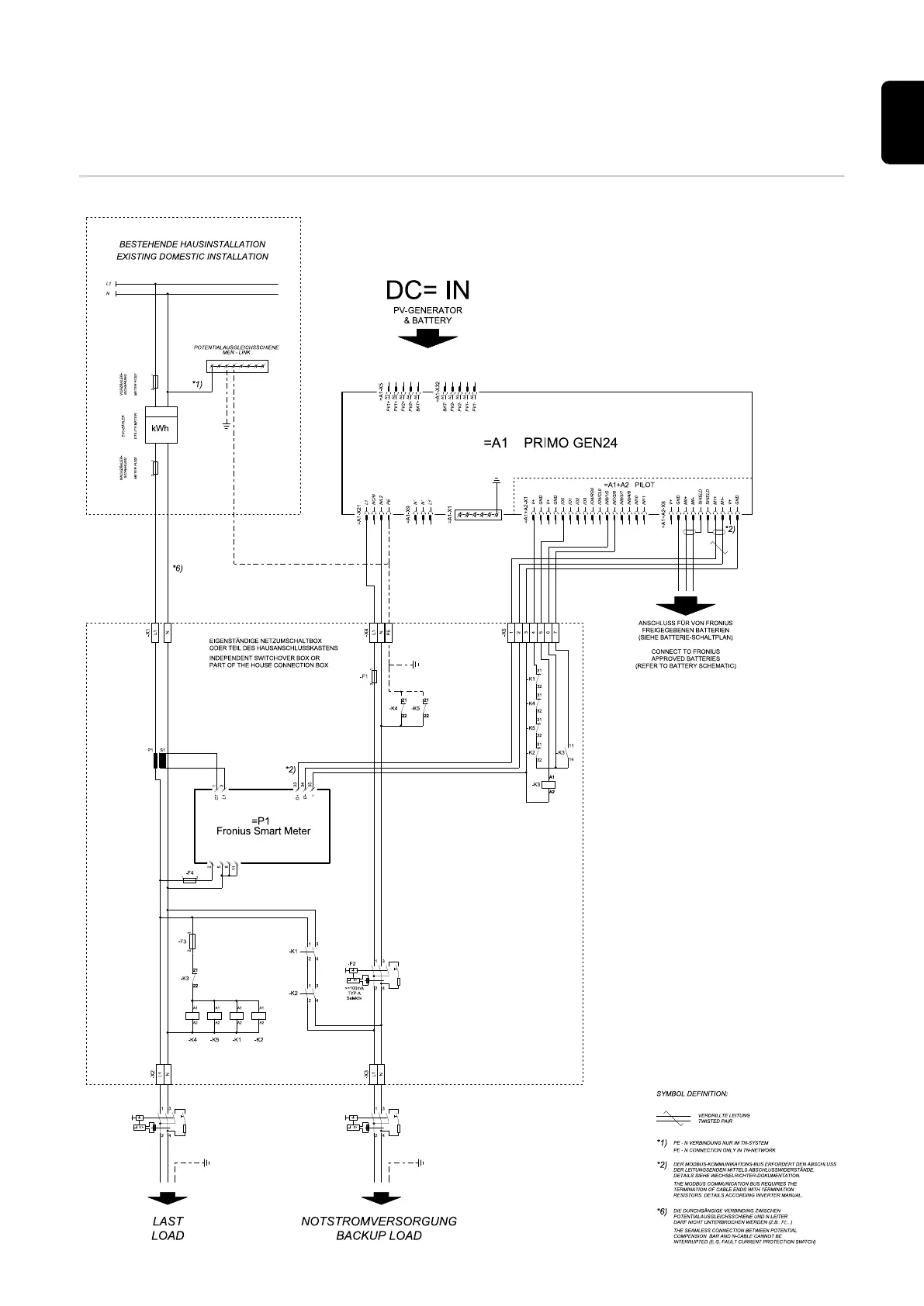
Automatic switch to backup power 2-pin double
separation - e.g. UK
Circuit Diagram
183
EN

Table of Contents

Related product manuals