EasyManua.ls Logo

Fronius Primo GEN24 3.0 - Automatic Switch to Backup Power 2-Pin Double Separation with Ext. Grid and System Protec; Circuit Diagram

Fronius Primo GEN24 3.0
192 pages
To Next Page IconTo Next Page
To Next Page IconTo Next Page
To Previous Page IconTo Previous Page
To Previous Page IconTo Previous Page
Loading...
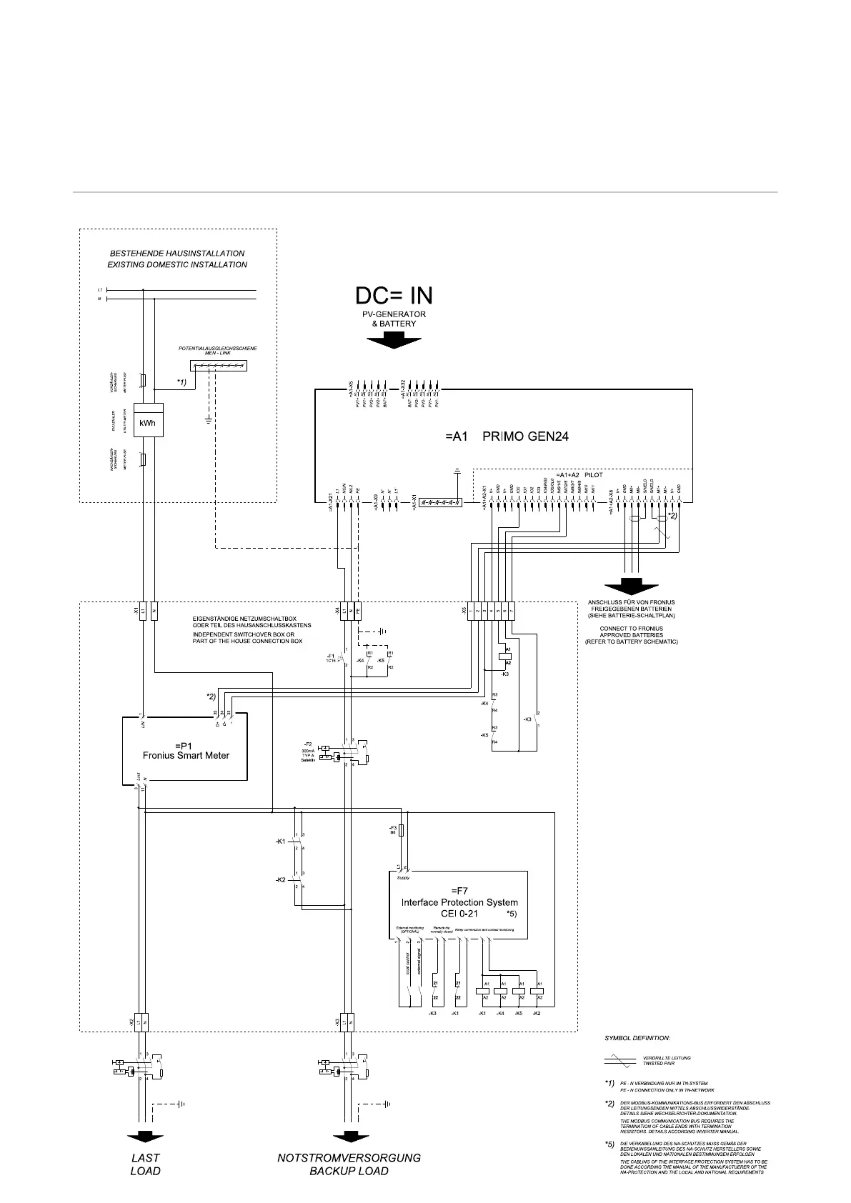
Automatic switch to backup power 2-pin double
separation with ext. grid and system protection -
e.g. Italy
Circuit Diagram
184

Table of Contents

Related product manuals