EasyManua.ls Logo

Frymaster BIH52 Series - Page 58

Frymaster BIH52 Series
115 pages
Print Icon
To Next Page IconTo Next Page
To Next Page IconTo Next Page
To Previous Page IconTo Previous Page
To Previous Page IconTo Previous Page
Loading...
3-41
TD
GND
ALARM
25V+
RIGHT
IGNITOR
VALVE
TEMP
PROBE
BLOWER
24V
HI-LIMIT
OPTIONAL
AIR SWITCH
6
J3
1148
4
8
9
9
R-HEAT
LED 4
K2
HEAT
RELAY
R-GV
LED 5
R
PWR
V1D
ALARM
351041314 11J2
351041314 11
TROUBLE
POWER
HEAT
BNR
GND
GV
AIR
24V
LED 3
RIGHT IGNITION
MODULE
TD
BNR
GND
GND
ALARM
25V+
LEFT
IGNITOR
VALVE
TEMP
PROBE
12V
GV
HI- LIMIT
LINE
VOLTAGE
31598462J1
L-HEAT
LED 2
K1
HEAT
RELAY
12V
LED 6
L-GV
LED 1
L
PWR
V2D
ALARM
15
15
14
14
6
6
12
12
2
2
1
1
POWER
ON/OFF
TROUBLE
LEFT IGNITION
MODULE
12
2
T
M
T
M
A
A
ON/OFF
SD
HV
A
1K
47K
1/50
A
1K
47K
1/50
DRAIN
SAFETY
SWITCH
H
V
F1
F1 Fuse not
applicable to
fryers
manufactured
before 6/96
AIR LED not
present on fryers
manufactured
before 6/96
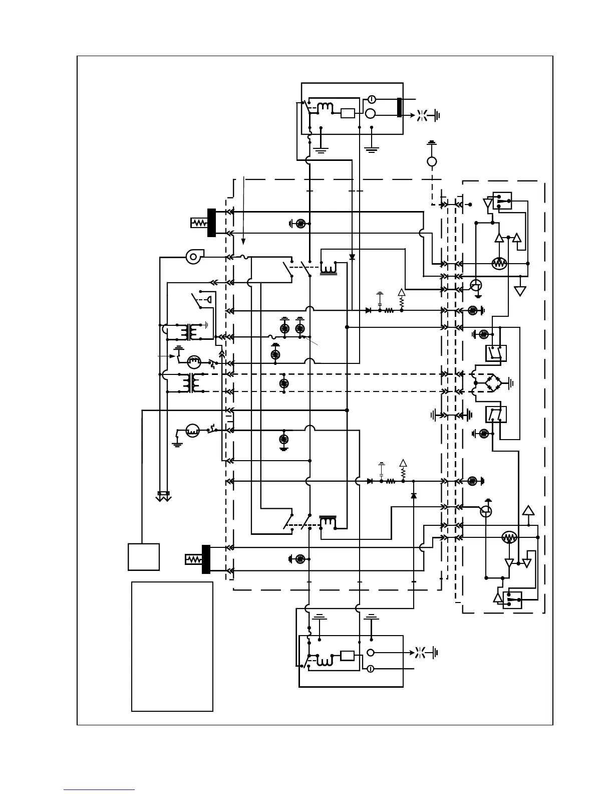
H52 SERIES — DUAL-VAT — BEFORE JUNE 1996 & AFTER JULY 1999
(TWO DUAL-FUNCTION HEAT/BLOWER RELAYS (K1 & K2) AND TWO IGNITION MODULES)
DRAIN SAFETY SWITCH
ONLY ON BIH52 MODELS
AIR SWITCH
ONLY ON CE AND SOME
EXPORT UNITS
DRAIN SAFETY
SWITCH
HOOD
RELAY
FUSE

Table of Contents

Related product manuals