EasyManua.ls Logo

Fujitsu PRIMERGY TX150 S4 - Page 76

Fujitsu PRIMERGY TX150 S4
97 pages
Print Icon
To Next Page IconTo Next Page
To Next Page IconTo Next Page
To Previous Page IconTo Previous Page
To Previous Page IconTo Previous Page
Loading...
76 Options Guide U41629-J-Z156-2-76
Cabling Appendix
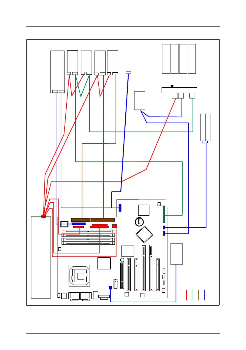
Figure 54: Cabling 1-channel SCSI version with onboard SCSI controller
CD/DVD
Floppy
Tape
Tape
Floppy
USB
IDTEMP
Y3785-V301
Y1248-V8
Y3730-V502
Y3904-V101
Y2603-V7
Intrusion sw.
Y3736-V1
Y3718-V508
Y3728-V1
P9
P3
P2
P4
P5
P6
X6
X7
X5
P1
P8
SCSI HD ID3
1" HDD
SCSI HD ID2
SCSI HD ID1
SCSI HD ID0
SCSI ba ckplane
1-
channel
Operating panel
System
fan
Cabel : T26139-
SCSI
IDE/FD
Data
Legend:
prefix
Power
Power supply
USB-B for
tapes
Intrusion sw.

Other manuals for Fujitsu PRIMERGY TX150 S4

Related product manuals