EasyManua.ls Logo

Fujitsu PRIMERGY TX150 S4 - Page 77

Fujitsu PRIMERGY TX150 S4
97 pages
Print Icon
To Next Page IconTo Next Page
To Next Page IconTo Next Page
To Previous Page IconTo Previous Page
To Previous Page IconTo Previous Page
Loading...
U41629-J-Z156-2-76 Options Guide 77
Appendix Cabling
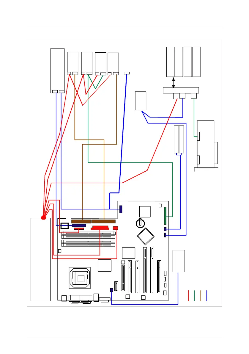
Figure 55: Cabling 1-channel SCSI version with additional SCSI RAID controller
Cabel : T26139-
SCSI
IDE/FD
Data
SCSI ba ckplane
1-
Floppy
Floppy
USB
IDTEMP
Y3859-V11
Y1248-V8
Y3730-V502
Y3736-V1
Y3718-V508
Y3728-V1
P1
P9
P2
P4
P3
P5
P6
X6
X7
X5
SCSI RAID
controller
CD/DVD
Y3785-V208
Y3904-V101
Y2603-V7
P8
System
fan
Legend:
prefix
channel
Operating panel
Tape
Tape
Intrusion sw
Intrusion sw
SCSI HD ID3
1" HDD
SCSI HD ID2
SCSI HD ID1
SCSI HD ID0
Power supply
Power
USB-B for
tapes

Other manuals for Fujitsu PRIMERGY TX150 S4

Related product manuals