EasyManua.ls Logo

Fujitsu PRIMERGY TX150 S4

Fujitsu PRIMERGY TX150 S4
97 pages
To Next Page IconTo Next Page
To Next Page IconTo Next Page
To Previous Page IconTo Previous Page
To Previous Page IconTo Previous Page
Loading...
U41629-J-Z156-2-76 Options Guide 79
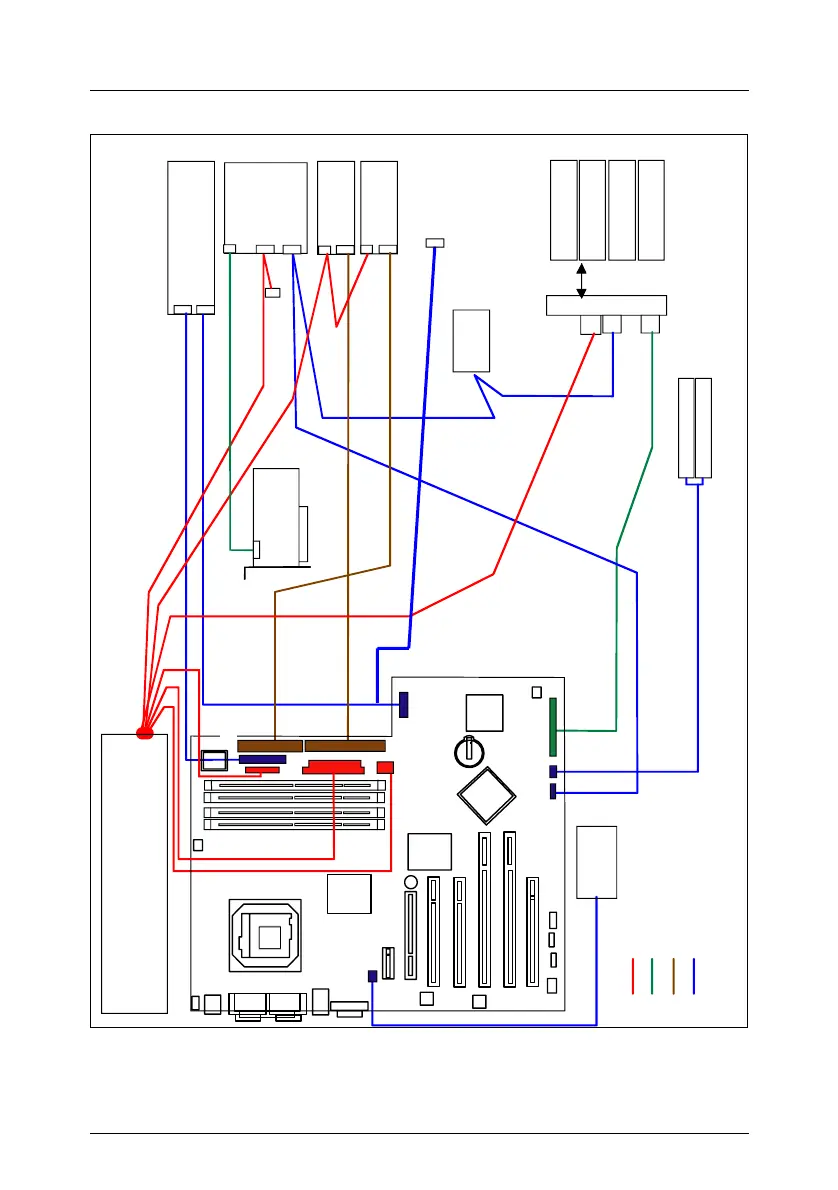
Appendix Cabling
Figure 57: Cabling hard disk extension box
SCSI ba ckplane
1-
CD/DVD
Floppy
Floppy
USB
IDTEMP
Y3785-V301
Y1248-V8
Y3730-V502
Y3736-V1
Y3718-V508
Y3728-V1
P9
P3
P2
P4
P5
P6
X6
X7
X5
RAID
controller
Y3927-V1
P1
P8
Y3904-V101
Y2603-V7
Power supply
Operating panel
HDD
box
Cabel : T26139-
SCSI
IDE/FD
Data
Legend:
prefix
Power
Intrusion sw
Intrusion sw
channel
SCSI HD ID3
1" HDD
SCSI HD ID2
SCSI HD ID1
SCSI HD ID0
System
fan
USB-B for
tapes

Other manuals for Fujitsu PRIMERGY TX150 S4

Related product manuals